PDF문서4. 제31기 소방간부후보생 선발시험 시험지(자연 선택).pdf

닫기

background image

2025년 1월 18일 시행

제31기 소방간부후보생 선발시험

응시번호

성    명

【자연계열 : 선택과목】

선택유형

선택과목 ( 1 )

선택과목 ( 2 )

선택과목 표기

( ○ )

1

화학개론

물리학개론

2

화학개론

건축공학개론

3

화학개론

전기공학개론

4

화학개론

소방학개론

5

물리학개론

건축공학개론

6

물리학개론

전기공학개론

7

물리학개론

소방학개론

8

건축공학개론

전기공학개론

9

건축공학개론

소방학개론

10

전기공학개론

소방학개론

※ 안내사항

1. 원서접수 시 선택한 선택과목 ( 1 ), 선택과목 ( 2 )의 선택유형을 확인하여 

시험지의 ‘선택과목 표기란’에 ○ 표기해 주십시오.

2. 원서접수 시 선택한 선택과목 순서대로 채점되므로 선택과목 ( 1 ), 선택과목 

( 2 )의 과목명을 답안지에 정확하게 기재해 주십시오.

3. 선택과목의 페이지 수를 확인한 이후에 문제를 푸십시오.

※ 본 시험지는 총 26페이지입니다.

화학개론

물리학개론

건축공학개론

전기공학개론

소방학개론

1∼4페이지

(총 4페이지)

5∼11페이지

(총 7페이지)

12∼15페이지

(총 4페이지)

16∼20페이지

(총 5페이지)

21∼26페이지

(총 6페이지)


background image

자연계열 - 선택

1 / 26

【 화학개론 】

1. 자연에서  발견되는  수소  원자의  동위원소로는 

경수소(H), 중수소(D), 삼중수소(T)가 있다. 이에 대한 

설명으로 옳은 것만을 <보기>에서 있는 대로 고른 것은?

<보 기>

ㄱ. 중수소(D)의 양성자 수는 이다.

ㄴ. 기압에서 경수(H

O)와 중수(DO)는 끓는점이 

같다.

ㄷ. 삼중수소(T)의 중성자 수는 이다.

ㄹ. ℃,  기압에서  경수소  기체(H

)는  중수소 

기체(D

)보다 평균 분자 속력이 더 빠르다.

① ㄱ, ㄷ

② ㄴ, ㄹ

③ ㄱ, ㄴ, ㄷ

④ ㄱ, ㄷ, ㄹ

⑤ ㄱ, ㄴ, ㄷ, ㄹ

2. 용어에 해당하는 단위가 (

) 안에 알맞게 짝지어진 

것은?

용어

단위

파장

( ㄱ )

볼츠만 상수

( ㄴ )

쌍극자 모멘트

( ㄷ )

압력

( ㄹ )

m

JK

N

Nm

m

JK

D

Nm

m

J・K

D

N・m

m

J・K

N

Nm

m

J・K

D

N・m

3. 원자 혹은 이온의 바닥 상태 전자배치 중,  오비탈 

홀전자 수가 많은 순서대로 나열한 것은?

① Cu

 > Cr > Ti > V

② Cr > Cu

 > V > Ti

③ Cr > V > Cu

 > Ti

④ Cr > V > Ti > Cu

⑤ V > Ti > Cu

 > Cr

4. ℃ 증류수에 넣으면 산성 용액이 되는 물질을 

<보기>에서 있는 대로 고른 것은? (단, ℃에서 

물의  

   × 

 이고, HF의 

  ,  NH

의 

  이다)

<보 기>

ㄱ. NH

ㄴ. NH

 SO

ㄷ. NH

F

ㄹ. Na

CO

① ㄱ

② ㄴ

③ ㄷ

④ ㄴ, ㄷ

⑤ ㄷ, ㄹ

5. 표는  바닥  상태  전자배치에서,  주기  원소  동핵 

이원자 분자의 결합차수와 자기적 성질을 나타낸 것

이다. (

) 안에 옳게 짝지어진 것은?

이원자 분자

결합차수

자기적 성질

Li

( ㄱ )

C

( ㄴ )

반자기성

B

( ㄷ )

F

( ㄹ )

반자기성

① 상자기성

상자기성

② 반자기성

상자기성

③ 반자기성

상자기성

④ 반자기성

반자기성

⑤ 상자기성

반자기성


background image

자연계열 - 선택

2 / 26

6. 원자가 껍질 전자쌍 반발(valence  shell electron

 pair repulsion, VSEPR) 모형을 이용하여, <보기>에 

제시된 분자 혹은 이온의 결합각이 큰 순서대로 나열한 

것은?

<보 기>

ㄱ. BrF

ㄴ. XeF

ㄷ. SF

ㄹ. NO

① ㄱ > ㄷ > ㄹ > ㄴ

② ㄱ > ㄹ > ㄷ > ㄴ

③ ㄴ > ㄷ > ㄹ > ㄱ

④ ㄴ > ㄹ > ㄷ > ㄱ

⑤ ㄹ > ㄷ > ㄴ > ㄱ

7. 기압에서 <보기>에 제시된 분자들의 끓는점이 큰 

순서대로 나열한 것은?

<보 기>

ㄱ. NH

ㄴ. HF

ㄷ. CCl

ㄹ. CH

F

① ㄴ > ㄱ > ㄹ > ㄷ

② ㄴ > ㄱ > ㄷ > ㄹ

③ ㄷ > ㄴ > ㄱ > ㄹ

④ ㄷ > ㄹ > ㄱ > ㄴ

⑤ ㄴ > ㄹ > ㄱ > ㄷ

8. 화학 반응 속도론에 대한 설명으로 옳은 것은?

① 둘 이상의 단일 단계 반응을 포함하는 전체 반응에서, 

가장 빠른 단일 단계가 속도 결정 단계이다.

② 아레니우스 식에 따르면, 활성화 에너지가 증가

하면 반응 속도 상수는 증가한다. 

③ 차 반응에서 반응 속도 상수의 단위는 

이다.

④ (속도) AB

의 반응 차수는, 반응물 B에 대해서 

차 반응이고, 전체 반응물 A와 B에 대해서도 차 

반응이다.

⑤ 반응 차수는 화학 반응식의 화학량론 계수로 결정

한다.

9. 바닥 상태 전자배치에서, <보기>의 착이온 중 중심 

금속  오비탈의 홀전자 수가 많은 순서대로 나열한 

것은? (단, Cr과 Fe의 원자번호는 각각 , 이며, 

en은 ethylenediamine이다)

<보 기>

ㄱ. CrF

 



ㄴ. Cren

 

 

ㄷ. FeCN

 



ㄹ. FeF

 



① ㄱ > ㄴ > ㄷ > ㄹ

② ㄱ > ㄹ > ㄷ > ㄴ

③ ㄴ > ㄷ > ㄹ > ㄱ

④ ㄷ > ㄴ > ㄱ > ㄹ

⑤ ㄹ > ㄱ > ㄴ > ㄷ

10. ℃에서  증류수   L에  용해될  수  있는  고체 

CaOH

의 양(g)은? (단, 이 물질의 용해는 이온곱상수

(

)를 갖는 평형반응에 의해서만 결정되고, ℃에서 

   × 

 이다. CaOH

의 몰질량은   gmol

이고, 고체의 부피는 무시한다)

① 

② 

③ 

④ 

⑤ 

11. 그림은 ℃에서  M의 아세트산 수용액을  M의 

NaOH 표준용액으로 적정할 때의 적정곡선이고,  mL

에서 당량점에 도달하였다. 다음 설명으로 옳지 않은 

것은? (단, ℃에서 아세트산의 

  이다)

① a지점은 산성이다.

② a~d 중 완충용량이 가장 큰 지점은 b이다.

③ c지점에서 아세트산 음이온이 아세트산보다 많이 

존재한다.

④ d지점은 염기성이다.

⑤ 아세트산 음이온은 물보다 약한 염기이다.


background image

자연계열 - 선택

3 / 26

12. ℃에서  고체  MgOH의  용해도가  가장  낮은 

용매는?  (단,  ℃에서  MgOH

의     × 

 

이다)

① 증류수

②  M NaOH 수용액

③  M MgCl

 수용액

④  M HCl 수용액

⑤  M HCl 수용액

13. BF에 대한 설명으로 옳지 않은 것은?

① NH

와 반응하지 않는다.

② 루이스 구조에서 B는 팔전자 규칙(octet rule)을 

만족시키지 못한다.

③ 루이스 산으로 분류된다.

④ 기하학적 구조는 삼각 평면형이다.

⑤ 비공유 전자쌍을 갖는다.

14. 다음 중 일차 이온화 에너지가 가장 작은 원소는?

① Cs

② Li

③ K

④ Na

⑤ Rb

15. 메테인과 수증기가 일산화 탄소와 수소로 되는 기체 

반응에 대한 설명으로 옳지 않은 것은? (단, 온도에 따른 

반응 엔탈피와 반응 엔트로피의 변화는 무시한다)

CH

    HO  ⇌ CO   H  

 °   kJmol

 °   Jmol・K

① 반응 온도가 증가하면 반응의 평형상수 값은 작아

진다.

② 

CH

, H

O

, CO, H

는 평형에서 각 기체의 부분압

일 때, 평형상수(

)는  

CH

・H

O

CO・H



로 정의한다.

③ 반응 용기의 부피를 감소시켜 전체 압력을 증가

시키면, 평형에서 일산화 탄소의 농도는 감소한다.

④ 촉매를 사용할 때, 촉매의 양은 평형상태 혼합물의 

농도변화에 영향을 주지 않는다. 

⑤ 반응 온도가 증가하면 평형에 빨리 도달한다.

16. 표는 결정질 고체의 세 가지 입방 세포에 대한 특성을 

나타낸 것이다.

구 분

단순
입방
세포

체심
입방
세포

면심
입방
세포

단위 세포당 

원자 수(개)

( ㄱ )

( ㄴ )

와 의 관계

  

( ㄷ )

( ㄹ )

단위 세포당 원자 수, 입방체 한 변의 길이()와 원자 

반지름()의 관계가 (

) 안에 옳게 짝지어진 것은?

  

 

  



  



  

 

  



  

 

  

 

  



  

 

  



17. Cu는 두 가지 동위원소 

Cu와 Cu로 구성되어 있다. 

Cu의 원자량은  AMU이며, Cu는  AMU

이다. Cu의 평균 원자량이  AMU일 때, 각 동위

원소의 존재량(%)은?

Cu

Cu





















18. 미지의 고체 시료  g을 이용하여  mL 수용액을 

제조하였다. 이 중  mL를 취해  L 수용액이 되도록 

희석하였을 때 최종 농도가  M이라면, 는? (단, 

고체 시료는 순물질이고 완전히 용해되었으며, 몰질량은 

 gmol

이다)

① 

② 

③ 

④ 

⑤ 


background image

자연계열 - 선택

4 / 26

19. 화학 반응 속도론에서 차, 차, 차 반응에 관한 

설명으로 옳은 것만을 <보기>에서 있는 대로 고른 것은?

<보 기>

ㄱ. 차 반응 속도는 반응물의 농도에 무관하다.

ㄴ. 차 반응의 반감기는 반응물의 초기 농도와 

무관하다.

ㄷ. 차 반응의 반감기는 반응물의 초기 농도와 

무관하다.

ㄹ. 차 반응의 반감기는 반응물의 초기 농도에 

정비례한다.

① ㄱ

② ㄱ, ㄷ

③ ㄴ, ㄷ

④ ㄴ, ㄹ

⑤ ㄱ, ㄴ, ㄷ, ㄹ

20. N 기체 g과 H 기체 g이 반응하여 암모니아 

기체가 생성되었다. 이에 대한 설명으로 옳지 않은 

것은? (단, N의 몰질량은  gmol, H의 몰질량은 

 gmol

이다)

① N

와 H는    몰비로 반응한다.

② 한계 반응물은 H

이다.

③ H

가 모두 반응했을 때, 암모니아  mol 이 생성

된다.

④ 반응이 완전히 진행될 경우, N

  g이 남는다.

⑤ 암모니아의  실제  수득량이   g일  때,  수율은 



%이다.

21. 분자의 극성 크기를 비교한 것으로 옳은 것은?

① CH

Cl < CHCl < CCl

② SO

 < SO < CS

③ H

S < SO < SOCl

④ CH

Cl < CHCl < CCl

⑤ SiH

 < HS < HO

22.  torr,  ℃의 이상 기체   mL를   torr, 

영하 ℃로 변화시켰을 때, 이상 기체의 부피(mL)는? 

(단,  기체  상수는   L·atmmol·K이며,   atm은 

 torr

이다)

① 

② 

③ 

④ 

⑤ 

23. ℃에서 Zn과 Cu를 전극으로 사용하는 다음 화학

전지의 이론적 기전력(V)은?

Zn∣Zn

 (M 수용액)∥Cu(M 수용액)∣Cu

℃

, 표준환원전위  °

Cu

Cu   

 °

ZnZn    V

①  

②  

③ 

④ 

⑤ 

24. 테르밋 반응은 발열반응이고, 다음과 같은 산화 - 환원 

반응식으로 표현된다.

Al   Fe

O   → AlO    Fe  

° kJmol

몰질량 gmol

Fe

O  

–



Al

O  

–



Al



Fe





 g

의 Al과  g의 Fe

O  를 반응시킬 때 발생

하는 반응열(kJ)을 표의 표준생성엔탈피(

° )를 이용

하여 계산한 것은?

①  

②  

③  

④  

⑤  

25. 그림은 아스파탐의 구조식이다. 아스파탐 구조에 

존재하지 않는 작용기는?

① 카복시기

② 에스터기

③ 아미노기

④ 아마이드기

⑤ 케톤기


background image

자연계열 - 선택

5 / 26

【 물리학개론 】

1. 행성의 표면에서 물체가 무한히 먼 곳에 도달할 수 

있는 최소 발사 속력을 탈출 속력이라 한다. 질량이 

 이고 반지름이  인 행성에서의 탈출 속력이 

일 때, 

질량이  이고  반지름이   인  행성에서의  탈출 

속력은? (단, 행성의 운동과 공기 저항은 무시한다)

① 

② 

③ 

④ 

⑤ 

2. 그림과 같이 길이가 A, B인 실에 연결된 질량이 , 



인 추 A, B가 각각 단진동을 하였다. A, B의 진동 

주기는 각각 A, B이고,  

A

B

 

이다.

A

B

는? (단, 추의 크기와 실의 질량은 무시한다)

① 



② 





③ 



④ 





⑤ 

3. 그림은 질량이   kg으로 같은 물체  A,  B가 실로 

연결되어 정지해 있는 모습을 나타낸 것이다. 

A에  작용하는  마찰력의  크기는?  (단,  중력가속도는 

 ms

이고, 도르래와 실의 질량은 무시한다)

①  N

②  N

③ 

 N

④ 

 N

⑤  N

4. 그림은 열효율이 인 열기관이 한 번의 순환 과정

에서 고열원으로부터 의 열을 흡수하여, 외부에 

의 일을 하고 저열원으로 L의 열을 방출하는 것을 

나타낸다.

이에  대한  설명으로  옳은  것만을  <보기>에서  있는 

대로 고른 것은?

<보 기>

ㄱ.   

이다.

ㄴ. L   이다.

ㄷ. L  인 열기관을 만들 수 있다.

① ㄱ

② ㄷ

③ ㄱ, ㄴ

④ ㄴ, ㄷ

⑤ ㄱ, ㄴ, ㄷ


background image

자연계열 - 선택

6 / 26

5. 다음은 두 가지 핵반응이다.

(가)

He 

H →

He 

  MeV

(나)



U 

n →



Xe 

 

n  MeV

이에  대한  설명으로  옳은  것만을  <보기>에서  있는 

대로 고른 것은?

<보 기>

ㄱ. ㉠의 질량수는 이다.

ㄴ. ㉡의 양성자 수는 이다.

ㄷ. (가)에서 결손된 질량은 (나)에서 결손된 질량

보다 크다.

① ㄱ

② ㄴ

③ ㄱ, ㄷ

④ ㄴ, ㄷ

⑤ ㄱ, ㄴ, ㄷ

6. 그림과 같이 전기 용량이 각각 ,  인 축전기 A, 

B를 전기 저항이 각각 , ,  인 저항과 전압  인 

직류 전원에 연결하여 완전히 충전하였다.

A에 충전된 전하량을 A, B에 충전된 전하량을 B라 

할 때  

B

A

는?

① 

② 

③ 

④ 

⑤ 

7. 그림과 같이 간격이 인 이중 슬릿에 파장이 인 

단색광을  비추었더니  슬릿으로부터  만큼  떨어진 

스크린에  간섭무늬가  나타났다.  이웃한  밝은  무늬의 

간격은 이다. 표는 , , 를 나타낸 것이다.

mm

m mm





는?

①  nm

②  nm

③  nm

④  nm

⑤  nm

8. 그림과  같이  초점 거리가   cm인 오목 렌즈에서 

오른쪽으로   cm  지점에  볼록  렌즈를  놓았더니, 

광축에  평행하게  입사한  광선이  오목  렌즈와  볼록 

렌즈에서 굴절한 후 광축과 평행하게 진행한다.

볼록 렌즈의 초점 거리는? (단, 렌즈는 얇은 렌즈로 

가정하고, 두 렌즈의 광축은 일치한다)

①  cm

②  cm

③  cm

④  cm

⑤  cm


background image

자연계열 - 선택

7 / 26

9. 그림과 같이 직선 다리 위에서 자동차가 등가속도 

운동을 하여 교각 위의 점 p, q, r을 지나고 있다. 

자동차가 p, r을 통과할 때의 속력은 각각  ms, 

이다. 이웃한 교각 사이의 거리는 각각  m,  m

이고, 자동차가 이웃한 교각 사이의 구간을 지나는데 

걸리는 시간은 같다.

는? (단, 자동차의 크기 및 교각의 두께는 무시한다)

①  ms 

②  ms

③  ms

④  ms

⑤  ms

10. 그림과 같이 공전 주기가 인 위성이 행성을 한 

초점으로 하는 타원 궤도를 따라 운동한다. 점 a, c는 

각각 행성으로부터 위성까지의 거리가 가장 가까운 

점과 가장 먼 점이고, 점 b는 타원 궤도상의 점이다. 

표는 a에서 b까지, b에서 c까지 위성이 이동하는데 

걸린  시간과  위성과  행성을  연결한  직선이  쓸고 

지나가는 면적을 각각 나타낸 것이다.

구간

걸린 시간

면적

a → b

b → c

㉠과 ㉡으로 옳은 것은? (단, 행성과 위성의 크기는 

무시한다)

11. 그림 (가)와 같이 이상 기체가 들어 있는 실린더에 

막대와 연결된 피스톤이 정지해 있다. 그림 (나)는 

(가)에서 스위치 S를 닫아 기체에 열을 공급하며 

피스톤에 힘을 주어, 기체가 A 상태에서 각각 B, C 

상태로  변화할  때  압력과  부피를  나타낸  것이다. 

A → B는 등적 과정, A → C는 등온 과정이고, B, C 

상태에서 피스톤은 정지해 있다.

 (가)

 (나)

이에  대한  설명으로  옳은  것만을  <보기>에서  있는 

대로  고른  것은?  (단,  대기압은  

으로  일정하고, 

피스톤의 마찰과 막대의 질량은 무시한다)

<보 기>

ㄱ. A → B 과정에서 기체가 흡수한 열량과 내부 

에너지의 증가량은 같다.

ㄴ. A → C 과정에서 기체 분자 개의 평균 운동

에너지는 감소한다.

ㄷ. C 상태에서 손이 피스톤에 작용한 힘의 방향은 

 방향이다.

① ㄱ

② ㄷ

③ ㄱ, ㄴ

④ ㄴ, ㄷ

⑤ ㄱ, ㄴ, ㄷ


background image

자연계열 - 선택

8 / 26

12. 질량이  kg이고 온도가  ℃인 금속을 단열용기에 

담긴  ℃의 물  g에 넣었더니, 열평형 온도  ℃에 

도달하였다.  금속의  비열은?  (단,  물의  비열은 

 Jkg・℃

이다)

①  Jkg・℃

②  Jkg・℃

③  Jkg・℃

④  Jkg・℃

⑤  Jkg・℃

13. 그림 (가)는 중심축이 축인 솔레노이드와 중심이 

축상에 있는 원형 도선이 각각 축에 고정되어 있고, 

일 때 솔레노이드에 화살표 방향으로 전류가 흐르는 

모습을  나타낸  것이다.  그림  (나)는  솔레노이드에 

흐르는 전류를 시간에 따라 나타낸 것이다.

(가)

(나)

이에  대한  설명으로  옳은  것만을  <보기>에서  있는 

대로 고른 것은?

<보 기>

ㄱ. 

일 때, 원형 도선에 흐르는 유도 전류의 방향은 

a방향이다.

ㄴ. 

일 때, 원형 도선에는 유도 전류가 일정하게 

흐른다.

ㄷ. 원형 도선에 흐르는 유도 전류의 세기는 

일 

때가 

일 때보다 크다.

① ㄱ

② ㄷ

③ ㄱ, ㄴ

④ ㄴ, ㄷ

⑤ ㄱ, ㄴ, ㄷ

14. 그림은  안쪽 반지름이  ,  바깥쪽  반지름이  인 

도체공 껍질의 중심 O에 점전하 P가 놓여있는 것을 

나타낸 것이다. P는 양()전하이다.

O에서부터 거리 에 따라 전위를 나타낸 것으로 가장 

적절한 것은? (단, O에서 무한히 먼 지점의 전위는 

이다)


background image

자연계열 - 선택

9 / 26

15. 그림과 같이 중심이 O이고, 반지름이 , , 인 

세 원형 도선  A,  B,  C가 종이면에 각각 고정되어 

있다.  A에는  반시계  방향으로  전류   가  흐르고, 

B에는  시계  방향으로  전류   가  흐른다.  O에서 

A, B, C에 의한 자기장의 세기는 이다. 

C에 흐르는 전류의 방향과 세기로 옳은 것은?

전류의 방향

전류의 세기

해당 없음

② 반시계 방향

시계 방향

④ 반시계 방향

시계 방향

16. 그림의 회로에서 Ω 저항에 흐르는 전류의 세기는?

①  A

②  A

③  A

④  A

⑤  A

17. RLC회로를 이용하여  ×

 rads의 신호를 수신

하는  공진회로를  만들었다.  회로의  저항은  Ω, 

인덕턴스는  H이다. 축전기의 전기 용량은?

①  × 

  F

②  × 

  F

③  × 

  F

④  × 

  F

⑤  × 

  F

18. 그림은 정지해 있는 관찰자와 동일 직선상에서 속력 

로 등속 직선 운동하는 음원을 나타낸 것이다. 음원

에서  발생하는  음파의  진동수는  

이고,  관찰자가 

측정한 음파의 진동수는 

이다. 음원의 운동 방향은 

유지한 채 속력만 로 변화했을 때, 관찰자가 측정한 

음파의 진동수는  

이다.

음원의 운동 방향과 의 크기로 옳은 것은? (단, 음속은 

 이다)

운동방향

의 크기


background image

자연계열 - 선택

10 / 26

19. 그림은 피스톤이 움직일 수 있는 관의 끝에 스피커를 

놓은 후, 스피커에서 진동수가 인 소리를 발생시키는 

모습을 나타낸 것이다. 표는 피스톤을 왼쪽으로 천천히 

움직이면서 소리가 크게 들릴 때, 관의 끝에서 피스톤

까지의 거리 을 측정한 것이다.

피스톤의 위치

cm

첫 번째로 소리가 

크게 들릴 때



두 번째로 소리가 

크게 들릴 때



는? (단, 소리의 속력은  ms이다)

①  Hz

②  Hz

③  Hz

④  Hz

⑤  Hz

20. 그림 (가)는 광전 효과 실험 장치를 이용한 실험 

I,  Ⅱ,  Ⅲ에서,  사용한  단색광의  진동수와  세기를 

나타낸 것이다. 그림 (나)는 (가)의 실험에서 측정된 

전압에 따른 광전류의 세기를 나타낸 것이다.

실험

단색광의

진동수

단색광의

세기

I

Ⅰ

Ⅰ

Ⅱ

Ⅱ

Ⅲ

Ⅲ

(가)

(나)

이에 대한 설명으로 옳은 것만을 <보기>에서 있는 대로 

고른 것은? (단, 실험 I, Ⅱ, Ⅲ에서 사용한 금속판은 

같다)

<보 기>

ㄱ. 정지 전압의 크기는 실험 Ⅱ보다 실험 I에서 

크다.

ㄴ. 단색광의 진동수는 Ⅰ  Ⅱ  Ⅲ이다.

ㄷ. 단색광의 세기는 Ⅱ  Ⅲ이다.

① ㄱ

② ㄴ

③ ㄷ

④ ㄱ, ㄴ

⑤ ㄴ, ㄷ

21. 그림과 같이 파이프 안에 물이 p지점에서 q지점

으로 흐르고 있다. p지점의 단면적은 q지점의 배이고, 

p지점의 압력은 q지점의 압력보다 



 만큼 크다. 

q지점에서 물의 속력은? (단, 중력가속도는 , 물의 

밀도는 이고, 물은 이상 유체로 가정한다)

① 



② 



③ 



④ 





22. 그림은 밀도가 균일하고 질량이 , 반지름이 인 

원통이 경사면을 따라 굴러 점 p를 속력 로 지나 

점 q에서 정지한 순간을 나타낸 것이다. p에서 q까지 

높이차는 이고, 원통은 운동하는 동안 미끄러지지 

않는다.

는?  (단,  원통의  관성모멘트는  



이고,  공기의 

저항은 무시한다)

① 



② 





③ 





④ 





⑤ 


background image

자연계열 - 선택

11 / 26

23. 그림과 같이 점전하 A, B, C가 각각   ,   , 

  

에 고정되어 있다. 전하량의 크기는 C가 A의 

배이고, B는 양()전하이다. A와 C가 B에 작용하는 

전기력의 방향은  방향이고, 크기는  이다.

B를   로 옮겨 고정시킬 때, A와 C가 B에 작용

하는 전기력의 크기는?

① 



② 



③ 



④ 



⑤ 



24. 그림 (가)는 수평면에 정지해 있는 물체 B를 향해 

물체 A가 등속 직선 운동을 하는 모습을 나타낸 것이다. 

A, B의 질량은 각각 , 이다. 그림 (나)는 충돌 전부터 

충돌 후까지 A와 B 사이의 거리를 시간에 따라 나타낸 

것이다. 

(가)

(나)

충돌 후 B의 속력은? (단, A, B는 동일 직선상에서 

운동하고, 물체의 크기와 모든 마찰은 무시한다)

① 





② 





③ 

④ 





⑤ 





25. 그림은 입자 A, B, C의 운동량과 운동 에너지를 

나타낸 것이다.

입자에 대한 설명으로 옳은 것만을 <보기>에서 있는 대로 

고른 것은?

<보 기>

ㄱ. 질량은 A가 C의 배이다.

ㄴ. 속력은 B가 A의 배이다.

ㄷ. 물질파의 파장은 B가 C의 배이다.

① ㄱ

② ㄷ

③ ㄱ, ㄴ

④ ㄴ, ㄷ

⑤ ㄱ, ㄴ, ㄷ


background image

자연계열 - 선택

12 / 26

【 건축공학개론 】

1. 「건축법 시행령」상 용어에 관한 설명으로 옳지 않은 

것은?

① “난연재료”는 불에 잘 타지 아니하는 성능을 가진 

재료로서 국토교통부령으로 정하는 기준에 적합한 

재료를 말한다.

② “초고층 건축물”은 층수가 50층 이상이거나 높이가 

200 m 이상인 건축물을 말한다.

③ 기존 건축물이 있는 대지에서 건축물의 연면적, 

층수 또는 높이를 늘리는 것은 증축에 해당한다.

④ 바닥면적 합계가 4,000 m2인 관광숙박시설은 다중

이용건축물에 해당한다.

⑤ 기둥과 기둥의 중심선 사이의 거리가 20 m 이상인 

건축물은 특수구조 건축물이다.

2. 「건축물의 피난・방화구조 등의 기준에 관한 규칙」상 

내화구조 및 방화벽에 관한 설명으로 옳지 않은 것은?

① 두께 120 mm의 철근콘크리트조 벽체와 바닥은 모두 

내화구조에 해당한다.

② 철골조  기둥에  벽돌로  덮은  두께가  100 mm인 

경우는 내화구조에 해당한다.

③ 철근콘크리트조 기둥(작은 지름 240 mm)에 압축

강도  60 MPa의  콘크리트를  적용하는  경우는 

내화구조에 해당한다.

④ 방화벽은 홀로 설 수 있는 내화구조로서 방화벽의 

양쪽 끝과 위쪽 끝은 건축물의 외벽면 및 지붕면

으로부터 0.5 m 이상 튀어나와야 한다.

⑤ 방화벽에 설치하는 출입문의 너비 및 높이는 각각 

2.5 m 이하로 하며, 해당 출입문에는 60분+ 방화문 

또는 60분 방화문을 설치해야 한다.

3. 피난안전구역  위층의  재실자  수가  100명일  경우, 

피난안전구역의 최소 규모로 옳은 것은?

① 높이 2.0 m –  면적 10 m2

② 높이 2.0 m –  면적 12 m2

③ 높이 2.1 m –  면적 10 m2

④ 높이 2.1 m –  면적 12 m2

⑤ 높이 2.1 m –  면적 14 m2

4. 「건축물의 피난・방화구조 등의 기준에 관한 규칙」상 

방화구획의 설치기준에 관한 설명으로 옳지 않은 것은?

① 지하  1층에서  지상으로  직접  연결하는  경사로 

부위를 제외하고 매층마다 구획하여야 한다.

② 스프링클러 소화설비를 설치한 경우, 10층 이하의 

층은 바닥면적 3,000 m2 이내마다 구획하여야 한다.

③ 스프링클러 소화설비를 설치한 경우, 11층 이상의 

층은 바닥면적 1,000 m2 이내마다 구획하여야 한다.

④ 방화구획과 외벽 사이에 접합부가 생기는 경우, 

내화채움성능이 인정된 구조로 메워야 한다.

⑤ 방화문이 연기 또는 불꽃을 감지하여 자동적으로 

닫히는 구조로 할 수 없는 경우, 온도를 감지하여 

자동적으로 닫히는 구조로 할 수 있다.

5. 건축구조기준(KDS)에서 건축물 중요도(특)에 해당

하지 않는 건축물은?

① 연면적 10,000 m2 규모의 전시장

② 연면적 5,000 m2 규모의 위험물 저장 및 처리시설

③ 연면적 1,500 m2 규모의 지방자치단체의 소방서

④ 종합병원, 수술시설이나 응급시설이 있는 병원

⑤ 태풍 시의 긴급대피수용시설로 지정한 건축물

6. 건축물 설계하중에서 설(雪)하중에 관한 설명으로 

옳지 않은 것은?

① 설계용 지붕설하중은 기본지상설하중을 기준으로 

하여  기본지붕설하중계수,  노출계수,  온도계수, 

중요도계수 및 지붕의 형상계수와 기타 재하분포

상태 등을 고려하여 산정한다.

② 지붕설하중을 산정하기 위한 지상설하중은 기본

지상설하중에 따르고 지역적 기후와 지형에 따른 

설하중의 국부적인 변동을 고려해야 한다.

③ 지상설하중이 1.0 kN/m2을 초과하는 곳은 1.0 kN/m2

에 중요도계수를 곱한 값 이상으로 한다.

④ 눈 위의 비로 인한 추가하중은 최소설하중, 부분

재하, 국부설하중에 적용하여야 한다.

⑤ 지상설하중이  0.5 kN/m2보다  작은  지역에서는 

몰림적설에  의한  추가하중을  고려하지  않아도 

된다.


background image

자연계열 - 선택

13 / 26

7. 건축구조기준(KDS)의  목구조  방화설계에  관한 

<보기>의  내용에서  (

)  안에  들어갈  내용으로 

옳은 것은?

<보 기>

연면적 ( 가 ) 이상인 목조 건축물은 외벽 및 

처마 밑의 연소할 우려가 있는 부분을 방화구조로 

하되, 그 지붕은 ( 나 )로 하여야 한다.

방화구획 및 방화벽은 ( 다 ) 이상의 내화구조로 

하여야 한다. 

500 m2

준불연재료

1시간

500 m2

불연재료

2시간

1,000 m2

불연재료

1시간

1,000 m2

준불연재료

2시간

1,000 m2

불연재료

2시간

8. <보기>의  냉방부하  요소  중  현열부하  요소로만 

작용하는 것을 있는 대로 고른 것은?

<보 기>

ㄱ. 일사부하

ㄴ. 침기부하

ㄷ. 조명 발열부하

ㄹ. 인체 발열부하

ㅁ. 외피 관류부하

① ㄱ, ㄴ

② ㄷ, ㄹ

③ ㄱ, ㄷ, ㅁ

④ ㄱ, ㄹ, ㅁ

⑤ ㄴ, ㄷ, ㄹ

9. <보기>는 흡수식 냉동기의 주요 구성요소를 나타낸 

것이다. 냉매 순환 순서로 옳은 것은?

<보 기>

ㄱ. 흡수기

ㄴ. 재생기

ㄷ. 증발기

ㄹ. 응축기

① ㄱ → ㄹ → ㄴ → ㄷ

② ㄴ → ㄱ → ㄷ → ㄹ

③ ㄷ → ㄱ → ㄴ → ㄹ

④ ㄹ → ㄴ → ㄱ → ㄷ

⑤ ㄹ → ㄷ → ㄴ → ㄱ

10. 배수 수평관의 최하류 부분과 배수 수직관을 연결

하는 통기관은?

① 루프통기관

② 결합통기관

③ 습윤통기관

④ 신정통기관

⑤ 도피통기관

11. 건축물의 에너지 절약을 위한 설계기법으로 옳지 

않은 것은?

① 건축물은 대지의 향, 일조 및 주풍향 등을 고려

하여 배치하며, 남향 또는 남동향 배치를 한다.

② 건축물의 체적에 대한 외피면적의 비 또는 연면

적에 대한 외피면적의 비는 가능한 한 크게 한다.

③ 거실의 층고 및 반자 높이는 실의 용도와 기능에 

지장을 주지 않는 범위 내에서 가능한 한 낮게 한다.

④ 공기조화기 팬은 부하변동에 따른 풍량제어가 가능

하도록 가변익축류방식, 흡입베인제어방식, 가변

속제어방식 등 에너지절약적 제어방식을 채택한다.

⑤ 급수용  펌프  또는  급수가압펌프의  전동기에는 

가변속제어방식 등 에너지절약적 제어방식을 채택

한다.

12. 배관의 마찰 손실수두에 관한 설명으로 옳지 않은 

것은? (단, Darcy-Weisbach식에 의한다)

① 배관 마찰계수에 비례한다.

② 중력가속도에 비례한다.

③ 배관경에 반비례한다.

④ 배관 길이에 비례한다.

⑤ 유속의 제곱에 비례한다.


background image

자연계열 - 선택

14 / 26

13. 그림과 같은 환기 방식이 적합한 실은?

① 기계실

② 반도체 제조실

③ 감염병실

④ 주방

⑤ 화장실

14. 사무실의 면적 60 m2, 천장고 3 m일 때, <보기>와 

같은 조건을 만족하기 위한 조명기구의 개수는?

<보 기>

설계조도 : 400 lx

조명기구당 광속 : 4,000 lm/개

조명률 : 0.6

보수율 : 0.4

① 10개

② 15개

③ 20개

④ 25개

⑤ 30개

15. 6층 이상 거실 면적의 합계가 4,000 m2인 업무시설

에서 법령상 설치해야 할 승용승강기의 최소 대수는? 

(단, 16인승 승강기를 설치한다) 

① 1대

② 2대

③ 3대

④ 4대

⑤ 5대

16. 사무소 건축계획에 관한 설명으로 옳지 않은 것은?

① 고층일수록  설비비의  증가로  인해  단위면적당 

건축비가 증가한다.

② 중심코어형은 구조코어로서 적합한 형식이다. 

③ 유효율이란  연면적에  대한  대실면적의  비율을 

말한다.

④ 구조형식과 공기조화 방식은 기준층 층고 결정에 

영향을 준다.

⑤ 오피스 랜드스케이핑은 개실형 배치의 한 형식이다.

17. 건설공사에서 가설통로의 설치기준으로 옳지 않은 

것은?

① 계단을 설치하거나 높이 2 m 미만의 가설통로로서 

튼튼한 손잡이를 설치한 경우를 제외하고, 경사는 

30°이하로 한다.

② 경사 15°를 초과하는 경우에는 미끄러지지 아니하는 

구조로 한다.

③ 추락할 위험이 있는 장소에는 안전난간을 설치하며, 

작업상 부득이한 경우에는 필요한 부분만 임시로 

해체할 수 있다.

④ 높이  8 m  이상인  비계다리에는  7 m  이내마다 

계단참을 설치한다.

⑤ 높이 3 m를 초과하는 계단에는 높이 3 m 이내마다 

진행방향으로 최소 길이 1 m의 계단참을 설치해야 

한다.

18. 건축공사 표준시방서(KCS)상 작업 시 근로자가 착용

해야 할 보호구로서 <보기>의 (

) 안에 들어갈 내용

으로 옳은 것은?

<보 기>

( 가 ) : 감전의 위험이 있는 작업

( 나 ) : 용접 시 불꽃이나 물체가 흩날릴 위험이 

있는 작업

( 다 ) : 영하 18 ℃ 이하에서 작업하는 경우

① 난연용 보호구

보안경

방열복

② 난연용 보호구

보안면

방한복

③ 절연용 보호구

보안경

방열복

④ 절연용 보호구

보안면

방한복

⑤ 절연용 보호구

보안경

방한복

19. 사질지반에서 지하수의 수위차에 의해 흙막이널 뒤

쪽의 지하수가 모래와 같이 공사현장으로 솟아오르는 

현상은?

① 히빙(heaving)

② 파이핑(piping)

③ 보일링(boiling)

④ 그라우팅(grouting) 

⑤ 보링(boring)


background image

자연계열 - 선택

15 / 26

20. 콘크리트의 타설 중단 후, 재타설 시 일체화가 저해

되어 발생하는 줄눈(joint)은?

① 콜드조인트(cold joint)

② 조절줄눈(control joint)

③ 시공줄눈(construction joint)

④ 신축줄눈(expansion joint)

⑤ 지연줄눈(delay joint)

21. <보기>에서  레디믹스트  콘크리트의  호칭  규격에 

표기되는 항목만을 있는 대로 고른 것은?

<보 기>

ㄱ. 굵은 골재 최대치수

ㄴ. 공기량

ㄷ. 콘크리트 압축강도

ㄹ. 슬럼프 값

ㅁ. 염화물량

ㅂ. 물시멘트비

① ㄱ, ㄴ, ㄷ

② ㄱ, ㄷ, ㄹ

③ ㄴ, ㅁ, ㅂ

④ ㄷ, ㄹ, ㅁ

⑤ ㄹ, ㅁ, ㅂ

22. 콘크리트 혼화재료에 관한 설명으로 옳지 않은 것은?

① 혼화재는 시멘트 중량에 대해 5 % 이상 첨가하는 

것이다.

② 플라이애시는  화력발전소의  보일러에서  분탄이 

연소할 때 발생하는 회분을 전기 집진기로 포집한 

것이다.

③ 실리카퓸은 규소 합금을 제조할 때 생기는 부산물로 

플라이애시보다 미세하다.

④ 혼화제는 시멘트 중량에 대해 1 % 전후 첨가하며, 

배합 시 용적에 포함한다.

⑤ 포졸란은 실리카물질을 주성분으로 하며, 그 자체에 

수경성이 없는 광물질 분말재료이다.

23. 콘크리트의  크리프(creep)에  관한  설명으로  옳지 

않은 것은?

① 물시멘트비와 단위수량이 클수록 크리프 변형이 

커진다.

② 시멘트의 종류에 따라 크리프 변형이 달라진다.

③ 하중이 제거되어도 크리프 변형은 회복되지 않는다.

④ 습도가 높을수록 크리프 변형이 작아진다.

⑤ 부재의 단면치수가 작을수록 크리프 변형이 커진다.

24. 목재의 접합에서 볼트와 같이 사용하는 전단보강 

철물은?

① 듀벨

② 꺽쇠

③ 띠쇠

④ 쪽매

⑤ 안장쇠

25. 석공사에서 돌다듬기 순서로 옳은 것은?

① 혹두기 → 정다듬 → 잔다듬 → 도드락다듬

② 혹두기 → 정다듬 → 도드락다듬 → 잔다듬

③ 혹두기 → 도드락다듬 → 정다듬 → 잔다듬

④ 정다듬 → 잔다듬 → 도드락다듬 → 혹두기

⑤ 정다듬 → 도드락다듬 → 잔다듬 → 혹두기


background image

자연계열 - 선택

16 / 26

【 전기공학개론 】

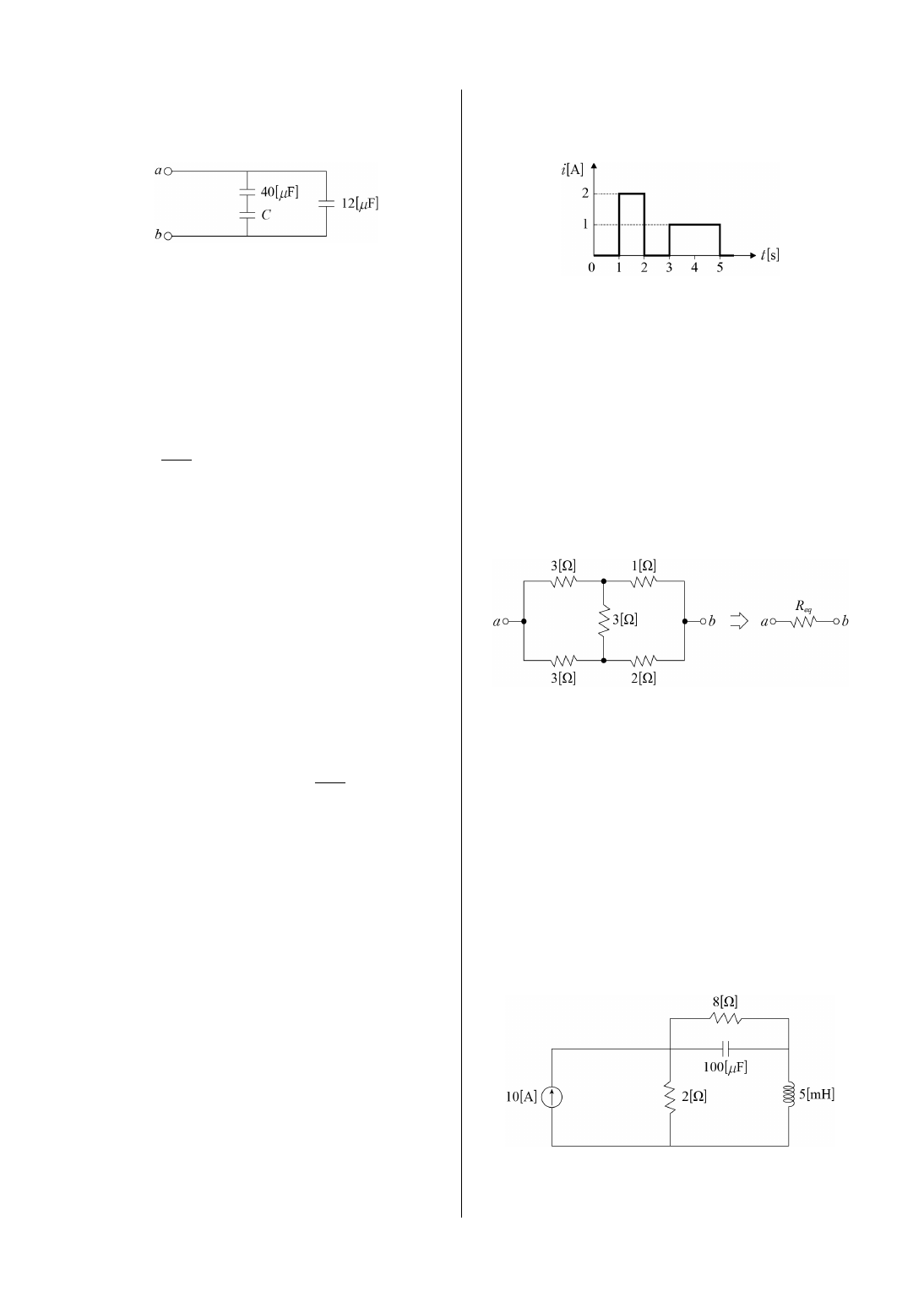
1. 다음 회로에서 커패시터 의 전압[V]은?

① 

② 

③ 

④ 

⑤ 

2. 전하에 의해 형성되는 등전위선으로 옳은 것은?

3. 무한직선 전류로부터 수직거리 에서 자기장 세기가 

라면, 

 가 되는 수직거리는 의 몇 배인가?

① 

② 

③ 

④ 

⑤ 

4. 공기 중에 회를 감은 원형코일에 전류 [A]가 흐를 때 

발생하는 자속은 [Wb]이다.  



초 동안 코일의 

전류가 [A]에서 [A]로 선형 증가한다면, 코일에 유도

되는 전압의 크기[V]는?

① 

② 

③ 

④ 

⑤ 

5. 다음  직렬회로에 교류전압 

[V]를 걸 때 

전류  [A]가  흐른다면,  전압의  주파수를  

 배로 

할 때 흐르는 전류[A]는?

① 

② 

③ 

④ 

⑤ 

6. 다음 블록 선도에 대한 전달함수  로 

옳은 것은?

① 

 

    

 

② 

 

    

 

③ 

 

    

 

④ 

 

    

      

⑤ 

 

    

      

7. 다음 회로에서 입력전압  [V]와  [V]에 따른 출력

전압  [V]의 관계가 <표>와 같다면, 

      의 

값[V]은? (단, 다이오드는 이상적이라고 가정한다)

<표> 입・출력전압의 관계

[V]

 [V]

 [V]

① 

② 

③ 

④ 

⑤ 


background image

자연계열 - 선택

17 / 26

8. 다음 논리 회로의 출력식에 대한 간소화로 옳은 것은?

①    ∙ 

②   

∙ 

③    ∙ 

④     

⑤   

 

9. 다음  반파정류회로에서  [Hz]의  교류  전압

(

  sin)이  입력될  때,  출력파형()의  주기와 

다이오드의 최대 역전압은? (단, 다이오드는 이상적

이라고 가정한다)

주기[s]

최대 역전압















10. 반도체에 대한 설명이다. (

) 안에 들어갈 내용

으로 옳은 것은?

진성 반도체에 극미량의 가 원자(불순물)를 첨가

하면 ( 가 ) 반도체가 된다. 첨가된 가 원자는 

전자를 공급하기 때문에 ( 나 ) 라고 하며, 캐리어

(전하 운반자)는 ( 다 ) 이다.

P형

억셉터(acceptor)

정공

P형

억셉터(acceptor)

자유전자

N형

도너(donor)

자유전자

N형

도너(donor)

정공

N형

억셉터(acceptor)

자유전자

11. 다음 회로에서 전압  [V]과  [V]는 각각 얼마

인가?

 [V]

 [V]






background image

자연계열 - 선택

18 / 26

12. 다음 회로에서 전류  [A],  [A],  [A]는 각각 

얼마인가?

 [A]

 [A]

 [A]





















13. 다음 회로에서 접점전압  [V]와  [V]는 각각 

얼마인가?

 [V]

 [V]

2

1

1

 

 

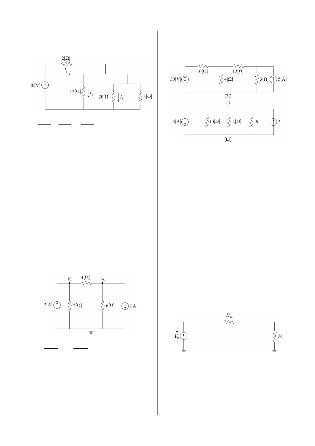
14. 전원변환이론을 이용하여 그림 (가)의 회로를 그림 

(나)와  같이  변환하고자  한다.  이때,  저항   [Ω]과 

전류  [A]는 각각 얼마인가?

 [Ω]

 [A]











15. 다음 테브난 등가회로에서   [V],   [Ω]

일 때, 부하  [Ω]에 최대전력  [W]이 전달되는 경우 

 [Ω]과  [W]은 각각 얼마인가?

 [Ω]

 [W]


















background image

자연계열 - 선택

19 / 26

16. 다음 회로의 단자 -에서 구한 등가 커패시턴스가 



[F]이다. 이때, 커패시터 의 값[F]은?

① 

② 

③ 

④ 

⑤ 

17. 교류회로의 리액턴스, 임피던스, 전류에 대한 설명

으로 옳지 않은 것은? 

① 저항의 전류는 전압과 동상이다.

② 인덕터는 유도성리액턴스를 갖는다.

③ 저항은  주파수와  상관없이  임피던스의  크기가 

일정하다.

④ 커패시터는 주파수를 높이면 리액턴스의 크기가 

증가한다.

⑤ 인덕터의 전류는 전압에 비해 위상이 90° 지연된다.

18. 변압기에 대한 설명으로 옳지 않은 것은?

① 전압의 크기를 변환하는데 사용한다.

② 주파수를 변환하는데 사용할 수 없다.

③ 차와 차측 권선은 자기적으로 분리되어 있다.

④ 철심은 주로 성층된 규소강판을 사용한다.

⑤ 차측 권선을 전원에, 차측 권선을 부하에 연결

한다.

19. 다음 중 유도전동기의 전류가 가장 큰 운전 상태는?

① 기동 운전

② 무부하 운전

③ 최대출력 운전

④ 최대토크 운전

⑤ 정격부하 운전

20. 다음과 같은 전류  [A]가 도선에 흘렀을 때, 초 

동안 통과한 전하량[C]은?

① 

② 

③ 

④ 

⑤ 

21. 다음 회로의 등가저항 [Ω]는?

① 

② 

③ 

④ 

⑤ 

22. 다음  직류전류원  회로에서  인덕터에  저장되는 

에너지[mJ]는? (단, 회로는 정상상태에 도달해 있다)

① 

② 

③ 

④ 

⑤ 


background image

자연계열 - 선택

20 / 26

23. 다음 회로에서 전압  [V]는?

 

① 

② 

③ 

④ 

⑤ 

24. 다음 회로에서 저항  [Ω]은?

① 

② 

③ 

④ 

⑤ 

25. 다음 회로에서 전류  [A]는?

① 

② 

③ 

④ 

⑤ 


background image

자연계열 - 선택

21 / 26

【 소방학개론 】

1. 소방조직의 변천 과정을 시간 순서대로 나열한 것으로 

옳은 것은?

① 금화도감 → 경성소방서 → 소방방재청 → 국민

안전처 중앙소방본부

② 금화도감 → 경성소방서 → 국민안전처 중앙소방본부

→ 소방방재청

③ 경성소방서 → 금화도감 → 소방방재청 → 국민

안전처 중앙소방본부

④ 경성소방서 → 금화도감 → 국민안전처 중앙소방본부

→ 소방방재청

⑤ 경성소방서 → 소방방재청 → 금화도감 → 국민

안전처 중앙소방본부

2. 「재난 및 안전관리 기본법」상 사회재난에 해당하지 

않는 것은?

① 다중운집인파사고로  인하여  발생하는  대통령령

으로 정하는 규모 이상의 피해

② 「감염병의  예방  및  관리에  관한  법률」에  따른 

감염병 확산으로 인한 피해

③ 환경오염사고로  인하여  발생하는  대통령령으로 

정하는 규모 이상의 피해

④ 황사(

黃砂)로 인하여 발생하는 재해

⑤ 「우주개발 진흥법」에 따른 인공우주물체의 추락・

충돌로 인한 피해

3. 재난 및 안전관리 기본법령상 대통령령으로 정하는 

중앙안전관리위원회 위원에 해당하지 않는 것은? (단, 

그 밖에 중앙안전관리위원회의 위원장이 지정하는 기관 

및 단체의 장은 제외한다)

① 국가유산청장

② 통일부장관

③ 국무조정실장

④ 여성가족부장관

⑤ 국가보훈부장관

4. 재난 및 안전관리 기본법령상 재난관리책임기관의 

장이 관계 법령 또는 안전관리계획에서 정하는 바에 

따라  점검・관리하여야  하는  대통령령으로  정한 

재난방지시설에  해당하지  않는  것은?  (단,  그  밖에 

행정안전부장관이 정하여 고시하는 재난을 예방하기 

위하여 설치한 시설은 제외한다)

① 「기상법」  제2조제13호에 따른 기상시설

② 「국토의 계획 및 이용에 관한 법률」  제2조제6호

마목에 따른 방재시설

③ 「사방사업법」  제2조제3호에 따른 사방시설

④ 「하수도법」 제2조제3호에 따른 하수도 중 하수관로 

및 공공하수처리시설

⑤ 「항만법」  제2조제5호에 따른 항만시설

5. 「재난 및 안전관리 기본법 시행령」상 재난의 유형과 

재난관리주관기관의 연결이 옳지 않은 것은?

① 「지진・화산재해대책법」  제2조제2호에  따른  화산

재해 - 행정안전부

② 「먹는물관리법」  제3조제1호에 따른 먹는물의 수질

오염으로 인해 발생하는 대규모 피해 - 농림축산

식품부

③ 「자연재해대책법」  제2조제3호에 따른 풍수해 중 

조수로 인해 발생하는 재해 - 해양수산부

④ 「공연법」  제2조제4호에 따른 공연장의 화재 등으로 

인해 발생하는 대규모 피해 - 문화체육관광부

⑤ 「해양환경관리법」  제2조제2호에  따른  해양오염

으로 인해 발생하는 대규모 피해 - 해양수산부 및 

해양경찰청


background image

자연계열 - 선택

22 / 26

6. 「소방공무원법」에 관한 설명으로 옳지 않은 것은?

① 소방공무원의 인사(

人事)에 관한 중요사항에 대하여 

소방청장의 자문에 응하게 하기 위하여 소방청에 

소방공무원인사위원회를 둔다. 다만, 제6조제3항 

및 제4항에 따라 특별시장・광역시장・특별자치시장・

도지사・특별자치도지사가 임용권을 행사하는 경우

에는 특별시・광역시・특별자치시・도・특별자치도에 

인사위원회를 둔다.

② 소방청장은 소방공무원의 능력을 발전시키고 소방

사무의 연계성을 높이기 위하여 소방청과 시・도 간 

및 시・도 상호 간에 인사교류가 필요하다고 인정

하면 인사교류계획을 수립하여 이를 실시할 수 있다.

③ 소방공무원을 신규채용할 때에는 소방장 이하는 

3개월 간 시보로 임용하고, 소방위 이상은 6개월 간 

시보로 임용하며, 그 기간이 만료된 다음 날에 정규 

소방공무원으로  임용한다.  다만,  대통령령으로 

정하는 경우에는 시보임용을 면제하거나 그 기간을 

단축할 수 있다.

④ 소방공무원의 신규채용시험 및 승진시험과 소방

간부후보생 선발시험은 소방청장이 실시한다. 다만, 

소방청장이 필요하다고 인정할 때에는 대통령령으로 

정하는 바에 따라 그 권한의 일부를 시・도지사 또는 

소방청 소속기관의 장에게 위임할 수 있다.

⑤ 소방공무원은 제복을 착용하여야 한다. 소방공무

원의 복제(

服制)에 관한 사항은 행정안전부령으로 

정한다.

7. 자연발화에 관한 설명으로 옳지 않은 것은?

① 자연발화는 가연물의 열전도율이 낮을수록 발생

하기 쉽다. 

② 저장공간의 온도가 높으면 자연발화가 촉진될 수 있다.

③ 황린의 자연발화를 방지하기 위해서는 물 속에 저장

해야 한다.

④ 유지류의 경우 아이오딘값(Iodine value)이 작을수록 

자연발화하기 쉽다.

⑤ 자연발화를 방지하기 위해서는 저장공간의 공기 

순환이 잘되게 해야 한다.

8. 기체연소와 액체연소에 관한 설명으로 옳은 것만을 

<보기>에서 고른 것은?

<보 기>

ㄱ. 분해연소하는 물질로는 아세톤, 휘발유, 알코올류 

등이 있다.

ㄴ. 확산연소는 예혼합연소에 비해 연소속도가 

빠르다.

ㄷ. 확산연소는 예혼합연소에 비해 화염온도가 낮다.

ㄹ. 예혼합연소는 역화(back fire)가 발생할 우려가 

있다.

① ㄱ, ㄴ

② ㄱ, ㄷ

③ ㄴ, ㄷ

④ ㄴ, ㄹ

⑤ ㄷ, ㄹ

9. 열전달 방법에 관한 설명으로 옳지 않은 것은?

① 열전달 방법에는 전도, 대류, 복사가 있다.

② 전도는 뉴턴의 냉각법칙을 따르며, 고체 표면과 

움직이는 유체 사이에서 일어난다. 

③ 대류는 유체의 유동이 외부로부터 작용하는 힘에 

의해 이루어지는 강제대류와 온도차로 인한 부력에 

의해 이루어지는 자연대류로 구분할 수 있다.

④ 복사에너지는 스테판-볼츠만(Stefan-Boltzmann)의 

법칙을 따른다.

⑤ 복사는 열에너지가 복사체로부터 대상물에 전자기파 

형태로 전달되는 현상이다.


background image

자연계열 - 선택

23 / 26

10. 건물에 화재가 발생했을 때, 중성대에 관한 설명으로 

옳은 것만을 <보기>에서 고른 것은?

<보 기>

ㄱ. 중성대의 하부 개구부로 외부 공기가 유입되면, 

중성대는 위쪽으로 상승한다.

ㄴ. 중성대의 상부 면적이 커질수록 대피자들의 

활동공간과 시야가 확보되어 신속히 대피할 수 

있다.

ㄷ. 중성대의 상부에서는 실내에서 외부로 기체가 

유출되고, 중성대의 하부에서는 외부에서 실내로 

기체가 유입된다.

ㄹ. 중성대의 상부 개구부를 개방한다면 연소는 확대

될 수 있지만, 연기가 빠른 속도로 상승하여 

외부로 배출되므로, 중성대의 상부 면적은 감소

하고 중성대의 하부 면적은 증가한다.

① ㄱ, ㄴ

② ㄱ, ㄷ

③ ㄴ, ㄷ

④ ㄴ, ㄹ

⑤ ㄷ, ㄹ

11. 연소 시 발생하는 이상 현상으로, 연료가 연소될 때 

연료의 분출속도가 연소속도보다 느려 불꽃이 염공

(

焰孔) 속으로 빨려 들어가 혼합관 속에서 연소하는 

현상으로 옳은 것은?

① 불완전 연소(incomplete combustion)

② 선화(lifting)

③ 블로우 오프(blow off)

④ 황염(yellow tip)

⑤ 역화(back fire)

12. 유류저장탱크 및 위험물 이송배관 등에서 발생하는 

화재 현상에 관한 설명으로 옳지 않은 것은?

① 블레비(BLEVE)는 물리적 폭발에 해당한다.

② 증기운폭발(UVCE)은 저장탱크에서 유출된 가스가 

증기운을 형성하여 떠다니다가 점화원과 접촉하여 

발생하는 누설착화형 폭발에 해당한다.

③ 보일오버(boil over)는 상부가 개방된 저장탱크의 

하부에 존재하던 물 또는 물-기름 에멀션이 뜨거운 

열류층의 온도에 의해 급격히 부피가 팽창되어 

다량의 불이 붙은 기름을 저장탱크 밖으로 분출

시키는 현상이다.

④ 오일오버(oil over)는 저장된 유류 저장량이 내용적의 

70 %를 초과하여 충전되어 있는 저장탱크에서 발생

한다.

⑤ 분출화재(jet fire)는 탄화수소계 위험물의 이송배관

이나 저장용기로부터 위험물이 고속으로 누출될 때 

점화되어 발생하는 난류확산형 화재이다.

13. 화재가혹도(fire  severity)에  관한  설명으로  옳지 

않은 것은?

① 화재가혹도는  발생한  화재가  당해  건물과  그 

내부의 수용재산 등을 파괴하거나 손상을 입히는 

정도를 말한다.

② 화재가혹도의  주요  요소에는  화재강도와  화재

하중이 있다.

③ 화재강도가 크면 열축적이 크므로 주수율이 높아

져야 한다.

④ 화재하중은 입체면적(m3)당 중량(kg)이다.

⑤ 화재가혹도에  영향을  주는  환기요소는  온도와 

비례 관계이고, 시간과 반비례 관계이다.


background image

자연계열 - 선택

24 / 26

14. 백드래프트(back draft)와 플래시오버(flash over)에 

대한 설명으로 옳은 것은?

① 플래시오버의 전조 현상으로 롤오버(roll over) 현상이 

관찰될 수 있다.

② 백드래프트는 연료지배형 화재에서 발생한다.

③ 백드래프트가 플래시오버보다 발생 빈도가 높다.

④ 플래시오버는  폭발의  일종이지만  백드래프트는 

폭발이 아니다.

⑤ 백드래프트의  발생원인은  열이며,  플래시오버는 

공기가 원인으로 작용한다.

15. 「위험물안전관리법 시행령」상 위험물에 관한 설명

으로 옳지 않은 것은?

① “철분”이라 함은 철의 분말로서 53마이크로미터의 

표준체를 통과하는 것이 50중량퍼센트 미만인 것은 

제외한다.

② “인화성고체”라 함은 고형알코올 그 밖에 1기압

에서 인화점이 섭씨 40도 미만인 고체를 말한다.

③ 1분자를 구성하는 탄소원자의 수가 1개부터 3개

까지인 포화1가 알코올(변성알코올을 포함한다)의 

함유량이 60중량퍼센트 미만인 수용액은 알코올류

에서 제외한다.

④ 과산화수소는 그 농도가 36중량퍼센트 이상인 것에 

한하며, 산화성액체의 성상이 있는 것으로 본다.

⑤ “제2석유류”라 함은 등유, 경유 그 밖에 1기압에서 

인화점이 섭씨 21도 이상 70도 미만인 것을 말한다. 

다만, 도료류 그 밖의 물품에 있어서 가연성 액체

량이 40중량퍼센트 미만이면서 인화점이 섭씨 40도 

이상인 동시에 연소점이 섭씨 50도 이상인 것은 제외

한다.

16. 위험물의  소화방법으로  옳은  것만을  <보기>에서 

고른 것은?

<보 기>

ㄱ. 무기과산화물은  물과  반응하기  때문에  마른 

모래(건조사) 등을 사용한 소화가 유효하다.

ㄴ. 적린 화재에는 물을 사용한 소화가 유효하다.

ㄷ. 황린 화재의 소화에는 물을 사용해서는 안되며, 

모래, 흙 등을 사용한 소화가 유효하다.

ㄹ. 알킬알루미늄은 물과 반응하며 이산화탄소를 

활용한 소화가 유효하다.

ㅁ. 제5류 위험물 화재에는 이산화탄소를 활용한 

소화가 유효하다.

① ㄱ, ㄴ

② ㄱ, ㄷ

③ ㄴ, ㄹ

④ ㄷ, ㅁ

⑤ ㄹ, ㅁ

17. 「화재조사  및  보고규정」상  화재피해금액  산정에 

관한 내용으로 옳은 것은?

① 화재피해금액은 화재 당시의 피해물과 동일한 구조, 

용도, 질, 규모를 재건축 또는 재구입하는데 소요

되는 가액에서 경과연수 등에 따른 감가공제를 하고 

현재가액을 산정하는 실질적・구체적 방식에 따른다. 

다만, 회계장부상 구매가격이 입증된 경우에는 그에 

따른다.

② 정확한  피해물품을  확인하기  곤란한  경우에는 

소방청장이 정하는 「화재피해금액 산정매뉴얼」의 

간이평가방식으로 산정해야 한다.

③ 건물 등 자산에 대한 내용연수는 「화재피해금액 

산정매뉴얼」에서 정한 바에 따른다.

④ 건물 등 자산에 대한 최종잔가율은 건물・부대설비・

구축물・가재도구는 10 %로 하며, 그 이외의 자산은 

20 %로 정한다.

⑤ 관계인은 화재피해금액 산정에 이의가 있는 경우 

별지 서식에 따라 관할 소방관서장에게 재산피해

신고를 할 수 있으며, 신고서를 접수한 관할 소방

관서장은 화재피해금액을 재산정할 수 있다.


background image

자연계열 - 선택

25 / 26

18. <보기>는 「화재조사 및 보고규정」상 대통령령으로 

정하는 대형화재가 발생한 경우, 소방관서장의 화재

합동조사단  구성과  운영에  관한  기준의  일부이다. 

(

) 안에 들어갈 내용으로 옳은 것은? (단, 임야화재는 

제외한다)

<보 기>

소방서장: 사상자가 ( 가 )명 이상 발생한 화재

소방본부장: 사상자가 ( 나 )명 이상이거나 2개 

시・군・구 이상에 발생한 화재

소방청장: 사상자가  ( 다 )명  이상이거나  2개 

시・도 이상에 걸쳐 발생한 화재

 5

10

 20

 5

10

 30

10

20

 30

10

20

 50

20

30

100

19. 화재 시 발생하는 연기에 대한 설명으로 옳지 않은 

것은?

① 연기의 농도가 높으면 피난과 소방활동에 현저한 

장해가 된다.

② 감광계수와 가시거리는 반비례 관계이다.

③ 감광계수가  0.5 m-1이면  어두침침한  것을  느낄 

정도의 상황이다.

④ 건축물 내에서 연기의 유동속도는 수직방향보다 

수평방향이 빠르다.

⑤ 연기의 제어 원리에는 희석, 배기, 차단이 있다.

20. 물 소화약제의 물리적・화학적 특성으로 옳은 것만을 

<보기>에서 있는 대로 고른 것은?

<보 기>

ㄱ. 물은 수소 원자 2개와 산소 원자 1개가 극성

공유결합을 하고 있다.

ㄴ. 물의 비중은 1기압, 0 ℃에서 가장 크다.

ㄷ. 물의 표면장력은 온도가 상승하면 작아진다.

ㄹ. 물의 비열은 대기압 상태에서 0.5 cal/g・℃이다.

① ㄱ, ㄴ

② ㄱ, ㄷ

③ ㄷ, ㄹ

④ ㄱ, ㄴ, ㄷ

⑤ ㄴ, ㄷ, ㄹ

21. 제1종 분말 소화약제의 주성분으로 옳은 것은?

① KHCO3

② NaHCO3

③ NH4HCO3

④ NH4H2PO4

⑤ KHCO3+(NH2)2CO

22. 연소하한계(LFL)가 2.1 %인 프로페인(CH)가스 

화재 시 소화할 때 필요한 이산화탄소 소화약제의 농도는 

최소 몇 %를 초과해야 하는가? (단, 공기 중 산소농도는 

21 %로 한다)

① 25

② 34

③ 50

④ 67

⑤ 75


background image

자연계열 - 선택

26 / 26

23. 「소방시설 설치 및 관리에 관한 법률 시행령」상 

소방시설의 연결이 옳은 것만을 <보기>에서 있는 대로 

고른 것은?

<보 기>

ㄱ. 소화설비 - 소화기구

ㄴ. 경보설비 - 무선통신보조설비

ㄷ. 피난구조설비 - 휴대용비상조명등

ㄹ. 소화용수설비 - 소화수조

ㅁ. 소화활동설비 - 연소방지설비

① ㄱ, ㄷ

② ㄴ, ㄹ, ㅁ

③ ㄱ, ㄷ, ㄹ, ㅁ

④ ㄴ, ㄷ, ㄹ, ㅁ

⑤ ㄱ, ㄴ, ㄷ, ㄹ, ㅁ

24. 「포소화설비의 화재안전성능기준」상 포 소화약제 

혼합장치 중 ‘프레셔사이드 프로포셔너방식’에 대한 

설명으로 옳은 것은?

① 펌프와 발포기의 중간에 설치된 벤추리관의 벤추리

작용과 펌프 가압수의 포 소화약제 저장탱크에 대한 

압력에 따라 포 소화약제를 흡입・혼합하는 방식을 

말한다.

② 펌프와 발포기의 중간에 설치된 벤추리관의 벤추리

작용에 따라 포 소화약제를 흡입・혼합하는 방식을 

말한다.

③ 펌프의 토출관과 흡입관 사이의 배관 도중에 설치한 

흡입기에 펌프에서 토출된 물의 일부를 보내고, 

농도 조정밸브에서 조정된 포 소화약제의 필요량을 

포 소화약제 저장탱크에서 펌프 흡입측으로 보내어 

이를 혼합하는 방식을 말한다.

④ 물, 포 소화약제 및 공기를 믹싱챔버로 강제주입

시켜 챔버 내에서 포수용액을 생성한 후 포를 방사

하는 방식을 말한다.

⑤ 펌프의 토출관에 압입기를 설치하여 포 소화약제 

압입용펌프로 포 소화약제를 압입시켜 혼합하는 

방식을 말한다.

25. 소화펌프에서 공동현상(cavitation)이 발생하였을 때 

그 원인으로 볼 수 없는 것은?

① 펌프의 위치가 수원의 위치보다 높은 경우

② 펌프의 임펠러 회전속도가 큰 경우

③ 펌프의 흡입측 수두가 큰 경우

④ 펌프의 토출측 관경이 작은 경우

⑤ 펌프에 흡입되는 수원의 온도가 높은 경우