PPT문서2011.5.19소방전기13장-학생용.ppt

닫기

background image

13

장 : 변압기 

13.1 

변압기의 원리

13.2 

변압기의 구조

13.3 

이상변압기

13.4 

실제 변압기

13.5 

변압기의 등가회로

13.6 

변압기의 손실과 효율

13.7 

단상변압기의 결선

13.8 3

상 변압기

13.9 

단권 변압기


background image

► 대표적인 상호유도를 이용한 장치로 “트랜스”라고도 함. 

13.1 

변압기(transformer) 의 원리

► 교류 전원을 사용해서 코일에 유도기전력을 유도한다. 
► 철심으로 규소강판 사용.

(1

차코일) (2차코일)

N

2

N

1

 철심

E

2

E

1

E

E

1

 =

N

N

1

1

차 코일 교류전압 E

1, 권수 N1 전류 

 i1             2

차 코일 권수가 N

2 일때 유도전압 E2, 와  

전류 

 i2 는 다음과 같다; 

1

차 코일과 2차 코일의 전압비는  

 코일 권수비와 같고 전류비는 역비례함. 


background image

(1

차코일)

(2

차코일)

V

1

N

2

N

1

 철심

 E

2

E

1

V

2

☞ 부하가 있을 때 전압 관계

V

1: 1 차 권선의 공급전압 E1: 1 차 권선의 유도기전력

E

2: 2 차 권선의 유도기전력 V2: 2 차 권선의 유도전압

E

E

1

 =

N

N

1

► 1 

차 권선에서 발생한 모든 자속이 

차 권선을 통과한다면, 

각 권선의 유도기전력은 권수에 비례

 또한 V

1 과 E1 이 평형관계이고, 코일의 저항을 무시하면, 

V

V

1

 =

E

E

1

 =

N

N

1

 (변압비 또는 권수비 라 함) 


background image

► 1 

차 권선에 흐르는 전류를 I

    2 

차 권선에 흐르는 전류를 I

2, 

입력과 출력의 전력은 같아야 하므로, 

 따라서, 

 

, V

1 I1 = V2 I2 

13.2 

변압기의 구조

► 

내철형

   

 

 

외철형 및 권철심형으로 구분 함.

내철형(core type) : 

 

 

 

 

 

철심이 안쪽에 있도록 권선을 감은 형태

외철형(shell type): 

 

 

 

 

 

 

 

철심이 바깥쪽에 있도록 권선을 안에 감아 넣은 형태

권철심형(wounded core type): 

 

 

 

 

 

철심을 이은 자리가 없도록 규소강대를

                                                     

 

 

 

나선형으로 감아서 만든 형식

► 

 

 

 

 

 

철심은 철손을 적게하기 위해 두께 0.35-0.5 [mm]  

 

의 규소함량 4-4.5[%]   

     

규소강판(silicon steel sheet)  

을 성층(lamination)

 

하여 사용

 

► 절연을 위해 층 사이는 니스나 종이를 붙인다


background image

13.3 

이상변압기

① 변압기 권선의 저항은 “0”이며, 동손은 없다.

② 변압기 내부의 철심에서 발생되는 철손이 없다. 

③ 철심의 투자율이 매우 크고, 자속 는는는는는는는는는는
는는는는는는는는는는는

N

2

N

1

부하

 E

1

·

 E

2

·

 V

1

·

S

 V

2

·

[1] 

부하가 접속되지 않은 경우

 I

0

·

 I

0

·

 V

1

·

  전원      이 인가되면, 회로에는 
위상이 900 늦은 전류    가 흐르며,

 I

0

·

  전류      를 여자전류
 ( exciting current) 

라 함.

  철심에는 여자전류와 동상인 교번자속  가 생긴다. 

  따라서, 1차권선에      과 반대방향으로 크기가 같은 기전력      이 유도 

 V

1

·

 E

1

·

또한  는 2차 권선에도 쇄교하므로, 2차권선에 기전력      가 유도. 

 E

2

·

(      

과      는 동상임)

 E

2

·

 E

1

·


background image

► 

 

여기서 , E

1, E2 관계식은

 E

1 = N1= 2

 E

2 = N2= 2

► 

 

 

따라서 실효값 (V

1, V2 ) 

V

1=

E

1

√2

=  

V

2=

E

2

√2

=  

k

f =

2√2

= 1.11  : 

파형률(form factor)

① E

2 < E1 : 강압변압기( step-down transformer)  

② E

1 < E2 : 승압변압기( step-up transformer)  


background image

예제13.2) 

 

딘면적이 10[cm2]  

 

인 철심에 200[

 

 

권선을 감아 60[Hz], 60[V]  

 

   

 

 

교류전압을 인가하였을 때 철심의 자속밀도는 ?

V

1=

E

1

√2

=  

► 60[V] =  

∴ 

m1.126× 10

-3

 [Wb]

 

 

자속밀도 B

mm / A = 1.126× 10

-3

 [Wb] / 0.001 [m2] = 1.126 [T]


background image

[2] 

부하가 접속된 경우

 I

2

·

전류      로 인하여, 2차권선에 자속 

는는는는는는는는는는

부하가 접속되면,  부하에 전류가 흐른다 ;

 I

2

·

  그러나,  1차권선의      는 변함은 없고 자속이 는는는는는는
는는는는는는는는는는는는는는

’ 는는는는는는는는는

 V

1

·

 I

1

·

,       은 1차권선과 2차권선의 기자력을 상쇄한다; 

 I

1

·

 I

1

·

N

1

=

 I

2

·

N

2

 I

1

· :  1차 부하전류 (primary load current)

N

2

N

1

부하

 E

1

·

 E

2

·

 V

1

·

S

 V

2

·


background image

따라서, 

 I

1

· >>  I

0

·

 I

1

· =

 I

1

·

 I

0

· +

대개의 경우,

따라서  I

1

· ≈ I

1

·

► 

결국, 1  

 

               

차 측에서 피상전력

이 입력되면

    

 

 

 

              

부하에 같은 크기의 피상전력

이 공급된다.

 I

1

·

 V

1

·

 I

2

·

 V

2

·

► 

이상변압기(ideal transformer)

예제 13.3) 1차 전압 3300[V], 권수비가 30인 단상변압기로 
전등 부하에 20[A]를 공급할 때의 입력은 얼마인가 ?

I

2 = 20 [A] 이므로, I1 = 2 / 3 [A] 

전등부하이므로, 즉 cos = 1


background image

13.4 

실제 변압기

 실제 변압기는 권선저항, 누설자속,  철심의 포화와 철손 등이 있다. 

[1] 

권선의 저항

1

,2  

 

 

차 권선의 저항 r

1, r2

 

 

를 고려하여야 함

[2] 

 

누설 자속

1  

 

차 권선과 2  

 

 

 

 

차 권선에서 누설되는 자속의 영향을

누설리액턴스(leakage reactance)  

로 취급

► 

 

따라서 1,2 

 

 

차권선의 임피던스는 각각;       

1  

 

차 권선과 2  

 

 

차 권선의 누설리액턴스를 x

1, x라면,  

 Z

1

· r

1+j x1

 Z

2

· r

2+j x2

 

   

 

 

 

권선 저항 및 누설 자속을 고려한 등가회로>

 I

1

·

 I

2

·

 V

1

·

r

2

x

2

r

1

x

1

 Z

L

·


background image

[3] 

 

 

여자전류와 여자 어드미턴스

► 1

 

   

 

 

차권선에 흐르는 총 전류는 부하전류와 무부하전류(여자전류)이다

· 

 

부하전류는 2

 

 

   

차권선에 부하가 있을 때 발생하며

· 

 

여자전류는 2

 

 

 

 

 

차권선에 기전력을 유도하는 자속을 생성하는 전류이다.

· 

 

 

 

   

 

 

 

 

그러나 자기포화와 히스테리시스 곡선 및 맴돌이전류로 인해 에너지 손실이 생기며

   

 

 

 

이를 총괄해서 철손이라 한다.

· 

 

 

따라서 여자전류는 ;

    

      

여자전류

(

 

 

 

 

 

 

자화전류는 순수하게 기전력을 유도하는 자속을 생성하는 전류)

 I

0

·

 I

0

·

 V

1

·

g

0

b

0

 I

0m

·

 I

0w

·

   

   

등가여자회로>

g

0 : 여자컨덕턴스

 

b

0 : 여자서셉턴스

 I

0m

·

     :

 

 

 

 

 

자화전류는 회로에 자속을 유도하는 전류로

       

 

 

에너지 손은 없다

 I

0w

·

     :

 

 

 

 

철손전류는 히스테리시스와 맴돌이전류 등으로

       1  

 

 

 

 

차 권선에 열을 발생시켜 에너지를 소모한다


background image

 I

1

·

 V

1

·

이상 변압기 회로 >

 V

1

·

r

1

x

1

r

2

x

2

 Z

L

·

 V

2

·

 I

0

·

 E

1

·

 V

1

·

 E

2

·

실제 변압기 회로 >

13.5 

변압기의 등가회로

 

 

 

실제 변압기의 임피던스는;

· 1  

 

차 임피던스 (1

 

 

차권선저항과 누설자속 리액턴스)

· 2  

 

차 임피던스 (2

 

 

차권선저항과 누설자속 리액턴스)

· 

 

여자어드미턴스

· 

 

 

부하임피던스 등이 있다.

 Z

1

· r

1+j x1

 Z

2

· r

2+j x2

 Z

L

· r

1+j x1

 Y

0

· g

0 + j b0 [υ] 

 

 

 

전압과 전류의 관계식

  E

2

·

  V

2

·

+ (r

2+j x2)

=

 I

1

· =

 I

1

·

 I

0

· +


background image

13.6 

변압기의 손실과 효율

[1] 

변압기 손실: 1차쪽에서 2차쪽으로 전력을 송전할 때  발생하는 

                             변압기 내부의 에너지 손실.
                            무부하손과 부하손으로 구분                        

  ① 철손(iron loss) :  
       ·

히스테리시스손과 맴돌이 전류손으로 이루어짐 

       ·

무부하손의 대부분을 차지하고  변아기 효율과 크게 관련됨

  ② 동손(copper loss) 혹은 저항손(ohmic loss):
       ·1    

차 및 2  

 

 

   

 

 

 

차 권선에 전류가 흐를 때 발생하는 줄열에 의한 손실

       ·

무부하시에는 여자전류만 흐르기 때문에 크기는 아주 작음.  

  ③ 

유전체손(dielectric loss):

       ·

변압기의 전압이 높을 때 절연물의 유전체로 인해 생기는 손실

  

 표류부하손(stray loss):

       ·

 

 

 

 

 

   

 

 

누설자속 또는 변압기의 구조에 의해 예측할 수 없이 발생하는 손실


background image

13.6 

변압기의 손실과 효율

[2] 

변압기의 효율 : 약 97 % 정도의 고효율을 나타냄

  ① 실측효율(measured efficiency)



입력전력

출력전압

×

 100 [%]

  ② 규약효율(conventional efficiency)  범용의 방법



출력+손실

    출력

 ×

 100 [%]

  ► 

 

변압기의 정격2  

 

차 전압을 V

2, 2

 

 

차 전류를 I

2, 

 

 

부하 역률을 cos,

      

 

철손을 P

i[W], 2

 

 

 

차쪽의 전체 저항을 r

21이라면



출력 + 무부하손 + 부하손

출력

 ×

 100 [%]



V

2nI2n cos + Pi + r21I2n

V

2nI2n cos 

 ×

 100 [%]

(V

2n과 I 2n 은 부하시 2차쪽의 정격전압과 전류)

(V

20과 I 20 은 무부하시 2차쪽의 정격전압과 전류)


background image

예제 13.5) 변압기의 변압비가 무부하에서는 14.5 : 1, 부하시에는 15:1 
                  일때 전압 변동율을 구하시오.

  V

1/V20 = 14.5, V1/V2n = 15  V2n/V20 = 15 / 14.5

13.7 

단상변압기의 결선

[1] 

변압기의 극성

V

1



V

2



V

극성: 1차 전압의 방향에 대하여 2차 전압의 방향을 나타내는 특성으로 
          감극성과 가극성이 있으며, 우리나라는 감극성을 표준으로 함.

 고압측에 V

1, 저압측에 V2 를 인가했을 때, 

B

A

b

a

① 전압계 V = V

1 - V2 이면,  B와 b, A와 a는 같은 극성

       “            ” 이라 함

② 전압계 V = V

1 + V2 이면, B와 b, A와 a는 다른 극성

       “            ” 이라 함.


background image

 N

1

 N

2

 V

1

 V

2

 E

1

·  E

2

·

 U(+)

 V(-)

 u(+)

 v(-)

 N

1

 N

2

 V

1

 V

2

 E

1

·  E

2

·

 U(+)

 V(-)

 v(-)

 u(+)

V(-)

U(+)

v(-)

u(+)

V

U

u

v

대문자 U,V : 고압측 단자
소문자 u, v  : 저압측 단자

<

감극성>

<

가극성>

☞ 감극성 (subtractive polarity)
     가극성 (additive polarity)


background image

[2] 

단상변압기의 3상 결선

☞ 단상변압기 3대를 사용해서 3상 변압기를 만들고자 할려면,
    3대의 단상변압기의 

► 

정격용량정격전압정격주파수권선저항

 

 

 

누설리액턴스 등이 같아야 하며,

► Y-Y 

결선 결선, Y- 결선-Y 

 

 

결선 방법이 있다. (

 

교재 그림13.6 참조)

[3] 

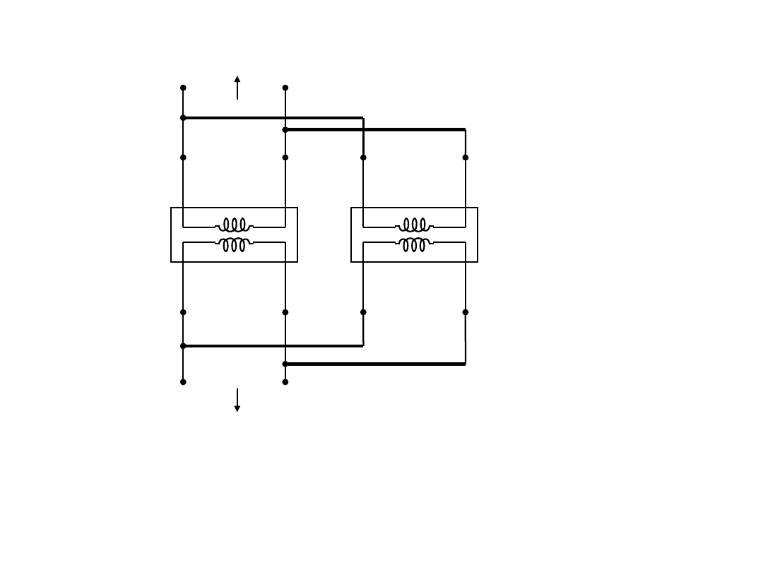
단상변압기의 병렬운전

◈ 병렬운전(parallel running) : 
     부하의 증설로 인하여 새로운 변압기를 증설할 경우에 
     1

차 단자와 2차 단자를 각각 병렬로 접속하여 운전

 

 

 

병렬 연결 조건

 

① 1,2   

   

 

      

 

 

차 정격전압 및 극성이 같을 것 ② 권수비가 같을 것

 

   

 

 

           

 

 

저항 및 리액턴스 강하가 같을 것 ④ 각 변위가 같을 것(3)


background image

[3] 

단상변압기의 병렬운전

(6,600 V)

(220 V)

전원

U

1

+

V

1

-

u

1

+

v

1

-

부하

(6,600 V)

(220 V)

U

2

+

V

2

-

u

2

+

v

2

-

변압기의 병렬운전 예 >


background image

a – b 

사이의 유도기전력 : E

1

b – c 

사이의 유도기전력 : E

2

E

1+E2 

E

2

 =

 V

1

 V

2

 =

 n

1

 n

2

V

2

V

1

I

1

I

2

I

3

n

1

n

2

a

b

c

<

강압용 단권변압기>

V

2

V

1

I

1

I

2

I

3

n

2

n

1

a

b

c

<

승압용 단권변압기>

13.9 

단권 변압기

► 1  

 

차 권선과 2  

 

 

차 권선을 공용으로 사용

► 

 

단상변압기의 1  

 

차 전압과 2  

   

 

 

 

차 전압이 큰 차이가 없는 경우에 사용