PPT문서2011.5.30소방전기15장-학생용.ppt

닫기

background image

15

장 : 

시퀀스제어 회로

15.1 

자동제어의 기초

15.2 

시퀀스 제어계의 구성

15.3 

시퀀스 제어용 기기

15.4 

시퀀스 제어의 기본 회로 

15.5 

시퀀스 도면의 작성

15.6 

시퀀스 제어의 실제 

15.7 

시퀀스 제어의 구성 

15.8 

프로그램형 제어기


background image

☞제어 

제어 (control): 

(control) 어떤 대상물의 현재 상태를 원하는 상태로 조작하는 것 

어떤 대상물의 현재 상태를 원하는 상태로 조작하는 것

     

    단순작업

단순작 , 반복작업

반복작 , 위험한 작업 등에 필수적

위험한 작업 등에 필수

15.1 

자동제어의 기초

· 

· 수동제어

수동제 (manual control) : 

(manual control)  사람의 판단으로 직접 기기나 설비를 제어하는 것 

사람의 판단으로 직접 기기나 설비를 제어하는 것

(

, 자동차운전

자동차운 , ,전등점멸 등

전등점멸  )

· 

· 자동제어

자동제 (automatic control;) : 

(automatic control;) : 기계가 판단하여 기기나 설비를 제어하는 것

기계가 판단하여 기기나 설비를 제어하는 

[1] 

시퀀스제어

시퀀스제 (sequential control)

(sequential contr

☞ 

☞ 미리 정해진 순서에 따라 제어의 각 단계를 순서대로 

미리 정해진 순서에 따라 제어의 각 단계를 순서대로

제어해 나가는 것

제어해 나가는 

*MCCB(

*MCCB Molded Case Circuit Breakers)

Molded Case Circuit Breakers  

과전류 차단을 위한 배선용 차단기 

MCCB

MCC

작업명령

작업명

S/W

S/

1

제어명령

제어명

작업명령

작업명

S/W

S/

2

점멸

상태

< 시퀀스 제어의 신호전달 흐름도 

시퀀스 제어의 신호전달 흐름도 >


background image

[2] 

피드백제어

피드백제 (feedback control; 

(feedback 

되먹임제어

되먹임제 )

☞ 

☞ 제어량을 입력인자로 되먹임시켜서 목표값과 비교함으로써     

제어량을 입력인자로 되먹임시켜서 목표값과 비교함으로써    

제어하는 방법으로 대부분의 자동제어 방식에 사용

제어하는 방법으로 대부분의 자동제어 방식에 사

전압

목표값

목표

< 되먹임 제어의 신호전달 흐름도의 예 

되먹임 제어의 신호전달 흐름도의 예 >



오차



전류

제어량

제어



온도

전압

조정기

조정



► 

► 시간의 경과에 따라 전기로 안의 재료의 온도를 제어하기 

시간의 경과에 따라 전기로 안의 재료의 온도를 제어하기

    

    위한 목적으로 널리 사용되는 방식

위한 목적으로 널리 사용되는 방

► 

► 자동온도조절기에 프로그램을 미리 입력시켜 전압조정기의

자동온도조절기에 프로그램을 미리 입력시켜 전압조정기

    

    전압을 조절하는 방식으로 정밀 제어가 가능

전압을 조절하는 방식으로 정밀 제어가 가

► 

► 위의 되먹임제어는 닫힌 루프제어계에 속하는 방식

위의 되먹임제어는 닫힌 루프제어계에 속하는 방

    

    닫힌루프제어계

닫힌루프제어 (closed loop control system)

(closed loop control s


background image

15.2 

시퀀스 제어계의 구성

☞ 

☞ 물탱크의 수위를 일정하게 유지하는 예를 통해 시퀀스 제어계의 

물탱크의 수위를 일정하게 유지하는 예를 통해 시퀀스 제어계의

구성을 이해

구성을 이

► 

► 수위의 하한선과 상한선을 설정

수위의 하한선과 상한선을 설

 

► 수위가 하한선 이하로 내려가면 리밋스위치가 작동하여 펌프를

수위가 하한선 이하로 내려가면 리밋스위치가 작동하여 펌프

    

    가동하고

가동하 , 상한선에 이르면 펌프의 가동을 정지시키는 제어계로 

상한선에 이르면 펌프의 가동을 정지시키는 제어계로

    

    구성

작업명령

작업명

제어명령

제어명

제어대상

제어대

(양수장치

양수장 )

조작신호

조작신

MC(

MC 개폐

개 ) 

)

검출신호

검출신

(

리미트 스위치 

리미트 스위치 on/off)

on/off

상태

< 물탱크 시퀀스 제어계의 흐름도 

물탱크 시퀀스 제어계의 흐름도 >

S

C(개폐

개 )

표시

제어량

제어

(

물탱크수위

물탱크수 )


background image

► 

► 검출부 

검출부 : 수위 모니터링

수위 모니터

 

► 명령처리부 

명령처리부 : 검출신호를 처리 

검출신호를 처리

 

► 제어부 

제어부 : 

: 접점 

접점 S

C에서 

에서 MC

M

► 

► 제어대상 

제어대상 : 양수장치

양수장 (전동기

전동 ·펌프

펌 ·우물

우 ·탱크 로 구성된 시스템

탱크 로 구성된 시스 )

명령

처리부

처리

제어부

제어

검출부

검출

< 물탱크의 수위를 일정하게 유지토록 구성한 시퀀스 제어계 

물탱크의 수위를 일정하게 유지토록 구성한 시퀀스 제어계 >

리미트

리미

스위치

스위

(

상한

상 )

리미트

리미

스위치

스위

(

하한

하 )


background image

① 수위가 하한선 밑으로 내려가면

수위가 하한선 밑으로 내려가 , 점접 

점접 L

이 닫힌다 

이 닫힌다

② L

이 닫히면

이 닫히 , C

에 전류가 흘러 철편의 오른쪽을 흡착하여

에 전류가 흘러 철편의 오른쪽을 흡착하

③ 

③ 스위치 

스위치 S

가  닫혀져 코일 

가  닫혀져 코일 C

이 여자되고  접점 

이 여자되고  접점 MC가 닫혀져 

가 닫혀져

     

     전동기와 펌프가 가동

전동기와 펌프가 가

④ 

④ 영구자석 

영구자석 M

에은 흡착된 철편을 유지하여 전동기와 펌프가 

에은 흡착된 철편을 유지하여 전동기와 펌프가

      

      안정적으로 가동토록 한다

안정적으로 가동토록 한

⑤ 

⑤ 수위가 상한선에 도달하면

수위가 상한선에 도달하 , 

, 점접 

점접 L

가 닫힌다 

가 닫힌다

⑥   L

가 닫히면

가 닫히 , C

에 전류가 흘러 철편의 왼쪽을 흡착하여

에 전류가 흘러 철편의 왼쪽을 흡착하

⑦ 

⑦ 스위치 

스위치 S

가  열려져 코일 

가  열려져 코일 C

는 자력을 잃게되어 접점 

는 자력을 잃게되어 접점 MC가 

      

      개방되어 전동기는 가동을 중지

개방되어 전동기는 가동을 중

⑧ 

⑧ 영구자석 

영구자석 M

 h 

 h 는 흡착된 철편을 유지

는 흡착된 철편을 유


background image

15.3 

시퀀스 제어용 기기

☞ 

☞ 시퀀스 제어계의 기기는 용도에 따라 

시퀀스 제어계의 기기는 용도에 따라

    

    수동스위치

수동스위 , 

, 검출용상태 스위치

검출용상태 스위 , 

, 계전기

계전  등으로 구분

 등으로 구

[1] 

수동스위치

수동스위

► 

► 사람이 직접 조작하여  작업명령을 내리거나 명령처리 방법을 

사람이 직접 조작하여  작업명령을 내리거나 명령처리 방법을

    

    변경하는데 적용

변경하는데 적

► 

► 복귀형 수동스위치와 유지형 수동 스위치로 구분

복귀형 수동스위치와 유지형 수동 스위치로 구

< a 

접점 

접점 >

< b 

<  접점 

접점 >

· 

복귀형 수동스위치

복귀형 수동스위 : 

: 사람이 조작하는 동안만 닫혀있고 손을 떼면 열리는 

사람이 조작하는 동안만 닫혀있고 손을 떼면 열리는

  

  것으로 푸시버튼 스위치가 대표적으로

것으로 푸시버튼 스위치가 대표적으 ,  

, 메이크 접점

메이크 접 (make contact) 

(make 

또는

   

   a접점

접 (arbitral contact)

(arbitral contact  라 함

라  . .

· 

유지형 수동스위치

유지형 수동스위 : 

: 스위치를 누르면 접점이 열리는 것으로 

스위치를 누르면 접점이 열리는 것으로

   

   b 

b 접점 

접점 (break contact)

(break contac  이라 함

이라  . 


background image

[2] 

검출스위치

검출스위

► 

► 물체의 유무

물체의 유 , ,위치

위 , ,온도

온 , 압력 등의 상태 변화를 검출하여 자동

압력 등의 상태 변화를 검출하여 자

    

    으로 스위치를 개폐

으로 스위치를 개

검출

기호

 

스위치

접점

접점

동작개요

리밋       

스위치

 

 

물체가 가하는 힘에 의해 작동

광전       

스위치

 

 

물체가 광로를 차단함으로써 작동

근접       

스위치

 

 

전계나 자계의 변화를 검지하여 작동

LS

L

LS

L

PHS

PH

PHS

PH

PXS

PX

PXS

PX


background image

[3] 

전자계전기

전자계전 (electromagnetic relay)

(electromagnetic r

► 

► 전자력을 사용해서 철편을 흡인하여 접점을 개폐

전자력을 사용해서 철편을 흡인하여 접점을 개

< a 

< 접점 

접점 >

 XI

 a

 c

< b 

< b 접점 

접점 >

 XI

 a

 c

X

< 전자코일 

전자코일 >

접점

접 : 전자코일에 전류가 흐르면 폐로되고

전자코일에 전류가 흐르면 폐로되

접점

접 : 전자코일에 전류가 흐르면 개로된다

전자코일에 전류가 흐르면 개로된 .


background image

[4] 

전자개폐기

전자개폐 (electromagnetic switch)

(electromagnetic swi

► 

► 전자접촉기

전자접촉 (magnetic contactor)

(magnetic contactor 와 열동과전류계전기

와 열동과전류계전 (thermal relay) 

(thermal rel

로 구성

로 구

► 

► 전자접촉기에 정상전류

전자접촉기에 정상전 (열동과전류계전기의 설정값

열동과전류계전기의 설정 ) 이상의 전류가 흐르면

이상의 전류가 흐르 ,

    

    열동과전류 계전기가 동작하여 전자코일을 끊어서 주접점 회로를 개로시킴

열동과전류 계전기가 동작하여 전자코일을 끊어서 주접점 회로를 개로시


background image

15.4 

시퀀스 제어의 기본 회로

[1] 

논리회로

논리회

(a) AND 

(a) AND 회로

(b) OR 

(b) OR 회로

(c) NOT 

(c) NOT 회로

► 

► NOT 

NOT 회로 

회로 : 

: 입력스위치 

입력스위치 PBS

PB 가 닫히면

가 닫히 ,               

,               가 

가 x-b

x- 접점을 닫아 

접점을 닫아

                         

                         출력은 열린 상태가 되고

출력은 열린 상태가 되 ,

                         

                         PBS

PB 가 열리면

가 열리 , 전자코일은 작동하지 않아 

전자코일은 작동하지 않아 x-b 

x-b 접점은 열려져 

접점은 열려져

                         

                         출력은 닫힌 상태가 된다

출력은 닫힌 상태가 된 . 


background image

(d) NAND 

(d) NAND 회로

(e) NOR 

(e) NOR 회로

NAND 

NAND 회로 

회로 : 

: 입력스위치가 모두 닫힐 경우에

입력스위치가 모두 닫힐 경우 , 출력은 열린 상태로 

출력은 열린 상태로

동작하며

동작하 , 입력스위치 둘 중 하나만 열려도 

입력스위치 둘 중 하나만 열려도 b접점은 열려져 출력은 

접점은 열려져 출력은

닫힌 상태가 됨

닫힌 상태가

.

NOR 

NOR 회로 

회로 :

출력

(d) NAND 

(d) NAND 회로


background image

15.4 

시퀀스 제어의 기본 회로

[2] 

자기유지회로

자기유지회

PB1

PB

MC

MC-a

MC-

자기유지회로

자기유지회  >

PB2

PB

► 

► PB1

PB 을 누르면

을 누르 , ,전자접촉기의 코일 

전자접촉기의 코일 MC가 

    

    여자되고 

여자되고

► 

► MC가 여자됨으로써 

가 여자됨으로써 MC의 

의 a 

a 접점이 닫혀져

접점이 닫혀

    

    자기유지 회로가  형성된다

자기유지 회로가  형성된 . 

    

   (PB1

(PB 에서 손을 떼어도 자기유지는 지속

에서 손을 떼어도 자기유지는 지 )

► 

► PB2

PB 를 누르면

를 누르 , ,코일 

코일 MC를 여자시키던 

를 여자시키던

    

    전류가 끊어져 자기유지가 해제된다

전류가 끊어져 자기유지가 해제된 . 

► 

► 자기유지 회로는 전동기의 기동정지 

자기유지 회로는 전동기의 기동정지

    

    운전회로에 많이 사용됨

운전회로에 많이 사용 .


background image

15.4 

시퀀스 제어의 기본 회로

[3] 

[3 인터록 회로 

인터록 회로 (inter-lock circuit)

(inter-lock cir

PB1

PB

 X

X-b

X-

PB2

PB

 Y

Y-b

Y-

► 

► 전기기기의 보호와 운전자의 안전을 위한 회로

전기기기의 보호와 운전자의 안전을 위한 회

 

► 두 입력 중 먼저 동작한 것이 있으면

두 입력 중 먼저 동작한 것이 있으 , 다른 동작     

다른 동작   

    

    명령을 하여도 동작하지 않는 회로

명령을 하여도 동작하지 않는 회

► 

► PB1

PB 에 입력신호를 주어 계전기 

에 입력신호를 주어 계전기 X가 동작하면

가 동작하 , 

    

  Y-b

Y- 가 개로되므로 

가 개로되므로 PB2

PB 에 입력신호를 주어도 

에 입력신호를 주어도

    

    계전기 

계전기 Y는 작동하지 않는다

는 작동하지 않는 .

 ► 

  역으로

역으 , PB1

, PB 에 입력신호를 주어 계전기 

에 입력신호를 주어 계전기 Y가 

     

    동작하면

동작하 , X-b

, X- 가 개로되므로 

가 개로되므로 PB2

PB 에 입력신호를   

에 입력신호를  

 
     

    주어도 계전기 

주어도 계전기 X는 작동하지 않는다

는 작동하지 않는 .


background image

15.4 

시퀀스 도면의 작성

[1] 

기호표시방법

기호표시방

[2] 

전류의 도선표시방법

전류의 도선표시방

(a) 

(a) 분기

(b) 

(b) 교차접속 

교차접속

(c) 

(c) 비접속 

비접속


background image

15.4 

시퀀스 도면의 작성

[2] 

전류의 도선표시방법

전류의 도선표시방

► 

► 직류전원도선

직류전원도

P(+)

P(+

N(-)

      

      P

      

     N

► 

► 교류전원도선

교류전원도

· R,S,T 

· R,S, 중에 

중에 2개를 선택한다 

개를 선택한다

    

   R

    

   S

      

      R

      

      S


background image

[3] 

제어기기의 접속방법

제어기기의 접속방

► 제어기기를 연결하는 접속선은 제어전원 모선 사이에 수직선으로 표시

제어기기를 연결하는 접속선은 제어전원 모선 사이에 수직선으로 표

 

► 이때

이 , 제어기기는 비작동 상태로

제어기기는 비작동 상태 , ,모든 전원이 차단된 상태로 한다

모든 전원이 차단된 상태로 한 . .

► 제어기기의 배열은

제어기기의 배열 , ,위쪽 제어전원 모선부터

위쪽 제어전원 모선부 , 각종 스위치와 전자계전기 등의 

각종 스위치와 전자계전기 등의

    

   접점을 접속하고

접점을 접속하 ,  

, 전자계전기

전자계전 , 전자접촉기 등의 전자코일은 아래쪽 제어전원

전자접촉기 등의 전자코일은 아래쪽 제어전

    

   모선에 연결한다

모선에 연결한 . .

BZ

B

 L

X-b

X-

PBS

PB

 R

R-a

R-

P(+)

P(+

N(-)


background image

15.6 

시퀀스 제어의 실제 

► 

► 시퀀스 제어의 방법을 통해

시퀀스 제어의 방법을 통 , ,단상유도전동기회로 

단상유도전동기회로 ·  3

·  상유도전동기의 정

상유도전동기의  ·

역회전회로 

역회전회로 · 자동양수펌프회로 

자동양수펌프회로 · 3상유도전동기 기동정지회로  

상유도전동기 기동정지회로  ·  

· 

자동화재탐지설비제어회로 

자동화재탐지설비제어회로 · 예비전원자동전환 회로 등에 대해  학습

예비전원자동전환 회로 등에 대해  학

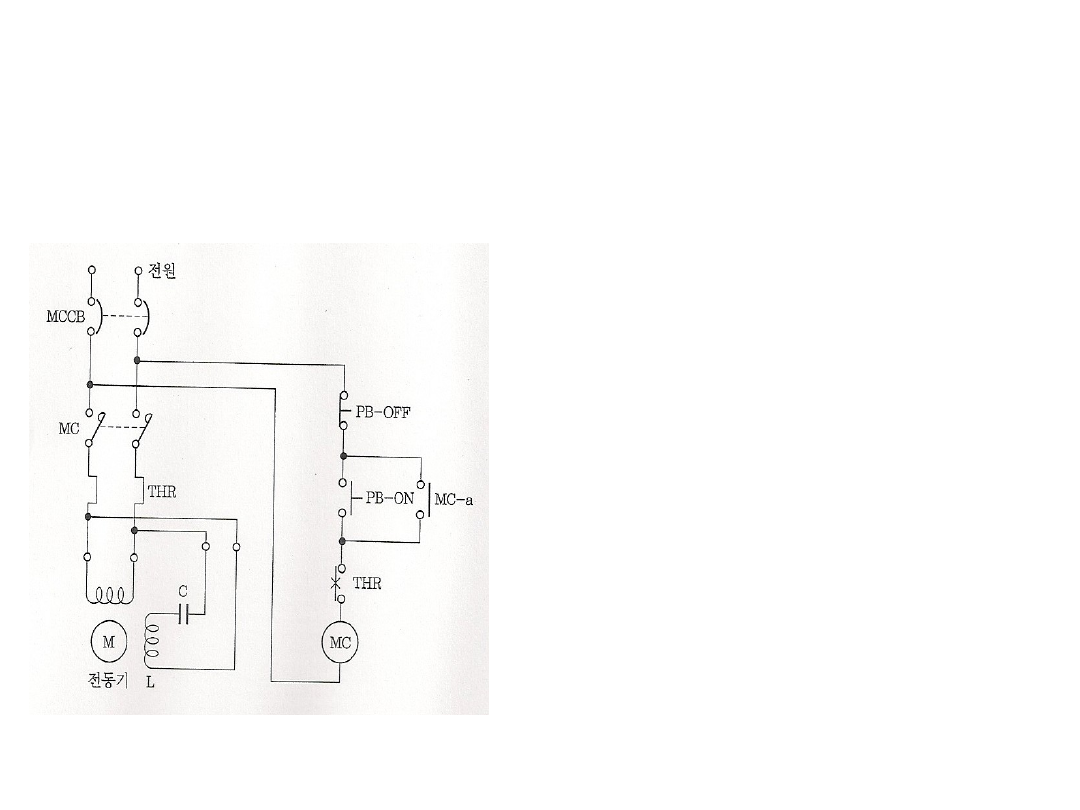
[1] 

단상유도전동기회로

단상유도전동기회

► 

► 자기유지 회로를 적용하여 기동회로를 제어

자기유지 회로를 적용하여 기동회로를 제

► PB-ON

PB-O 을 누르면

을 누르 , 전자접촉기 

전자접촉기 MC

M 에 전류가 

에 전류가

    

    흘러 동작하여 주접점 

흘러 동작하여 주접점 MC가 

가 ON

O 되어 전동기

되어 전동

    

    가 회전하기 시작

가 회전하기 시

► 

► 보조 접촉기 

보조 접촉기 MC-a

MC 는 폐로되어 자기유지 

는 폐로되어 자기유지

    

    회로가 구성된다

회로가 구성된 . .

► PB-OFF

PB-O

를 누르면

를 누르 ,  

, 전자접촉기 

전자접촉기 MC

M 에 전류

에 전

    

    가 차단되어 

가 차단되어 MC

M 와 

와 MC-a는 개로되어 전동기

는 개로되어 전동

    

    는 정지

는 정


background image

[2] 3

상유도전동기의 정

상유도전동기의  ·역회전회로 

역회전회로

► 

► 대용량 설비에 사용

대용량 설비에 사

► 3

선중에 

선중에 2선을 바꾸어 연결하면 역회전이 가능

선을 바꾸어 연결하면 역회전이 가

①배선용차단기 

배선용차단기 MCCB

MC

를 

를 ON 하고 

하고 PBF( 

PBF

정회전기동용 푸시버튼

정회전기동용 푸시버 )을 누르면

을 누르 , 

·

정회전 하고

정회전 하 , F-a

가 동작하여 

가 동작하여

자기유지회로가 구성된다

자기유지회로가 구성된 . .

·

또한 동시에 

또한 동시에 F-b가 

가 ON되어 인터록 회로가 

되어 인터록 회로가

형성되므로 

형성되므로

·

역회전 

역회전 PBR

P

을 눌러도 작동하지 않는다

을 눌러도 작동하지 않는 . 

☞ 회전방향을 필요에 따라 바꾸기 위해 사용 

회전방향을 필요에 따라 바꾸기 위해 사용

②· 이때

이 , PB-OFF 

, PB-OFF 를 누르면 전원이 차단되어 정회전은 멈춘다

를 누르면 전원이 차단되어 정회전은 멈춘 . .

· 

이때

이 , PBR( 

, PBR( 역회전기동용 푸시버튼

역회전기동용 푸시버 )을 누르면

을 누르 , R-a

가 동작하여 자기유지회로가 

가 동작하여 자기유지회로가

구성된다

구성된 . .

· 

또한 동시에 

또한 동시에 R-b

R 가 

가 ON

O 되어 인터록 회로가 형성되므로 정회전 

되어 인터록 회로가 형성되므로 정회전 PBF를 눌러도 

를 눌러도

작동하지 않는다

작동하지 않는 . .


background image

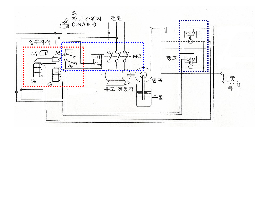
[3] 

자동양수 펌프 제어회로 

자동양수 펌프 제어회로

①수동의 경우

수동의 경 , 

,

·PB1

을 누르면

을 누르 , ,전자접촉기 

전자접촉기 MC가 여자되어 

가 여자되어

주접점 

주접점 MC가 닫혀져 전동기가 기동

가 닫혀져 전동기가 기 .  

.  이때 

이때

MC-a

도 여자되어 자기유회로가 형성된다

도 여자되어 자기유회로가 형성된 .

②자동의 경우

자동의 경 , 

,

·

저수위로 내려가면

저수위로 내려가 , 리밋스위치 

리밋스위치 L

L이 

닫혀진다

닫혀진 . (

.  수동에서 

수동에서 PB1을 누른것과 같음

을 누른것과 같 ) 

전자접촉기 

전자접촉기 MC가 여자되어 주접점 

가 여자되어 주접점 MC가 

닫혀져 전동기가 기동

닫혀져 전동기가 기 .  

.  이때 

이때 MC-a

MC 도 

여자되어 자기유회로가 형성된다

여자되어 자기유회로가 형성된 .

·

고수위 지점에 도달하면

고수위 지점에 도달하 , 리밋스위치 

리밋스위치 L

H가  

가 

열려져 자동으로 정지한다

열려져 자동으로 정지한 . 

·L

S

, 저수위 미만에서 수원의 물이 줄어 

저수위 미만에서 수원의 물이 줄어

양수할 수 없는 경우에 운전을 정지하여 

양수할 수 없는 경우에 운전을 정지하여

공전을 제어하기 위한 것임

공전을 제어하기 위한 것 .


background image

[4] 3

상유도전동기 기동정지회로 

상유도전동기 기동정지회로

·

배선용차단기 

배선용차단기 MCCB

MC

를 

를 ON 하면 

하면 GL(

GL

정지표시등

정지표시 ) 

·PB2

를 누르면

를 누르 , ,주접점 

주접점 MC가 여자되어 

가 여자되어

전동기가 회전하고 보조접점 

전동기가 회전하고 보조접점 MC-a 

MC

가 

가 ON

O

되어 자기유지회로가 구성된다

되어 자기유지회로가 구성된 . .

·

이때

이 , GL

, G 은 소등 

은 소등 RL(기동표시렘프

기동표시렘 ) 은 

점등된다

점등된 . 

·PB1

를 누르면

를 누르 , ,회로는 끊어져 정동기는 

회로는 끊어져 정동기는

동작을 멈추고 

동작을 멈추고 GL이 점등된다

이 점등된 . .

☞ 회전방향을 필요에 따라 바꾸기 위해 사용 

회전방향을 필요에 따라 바꾸기 위해 사용


background image

[5] 

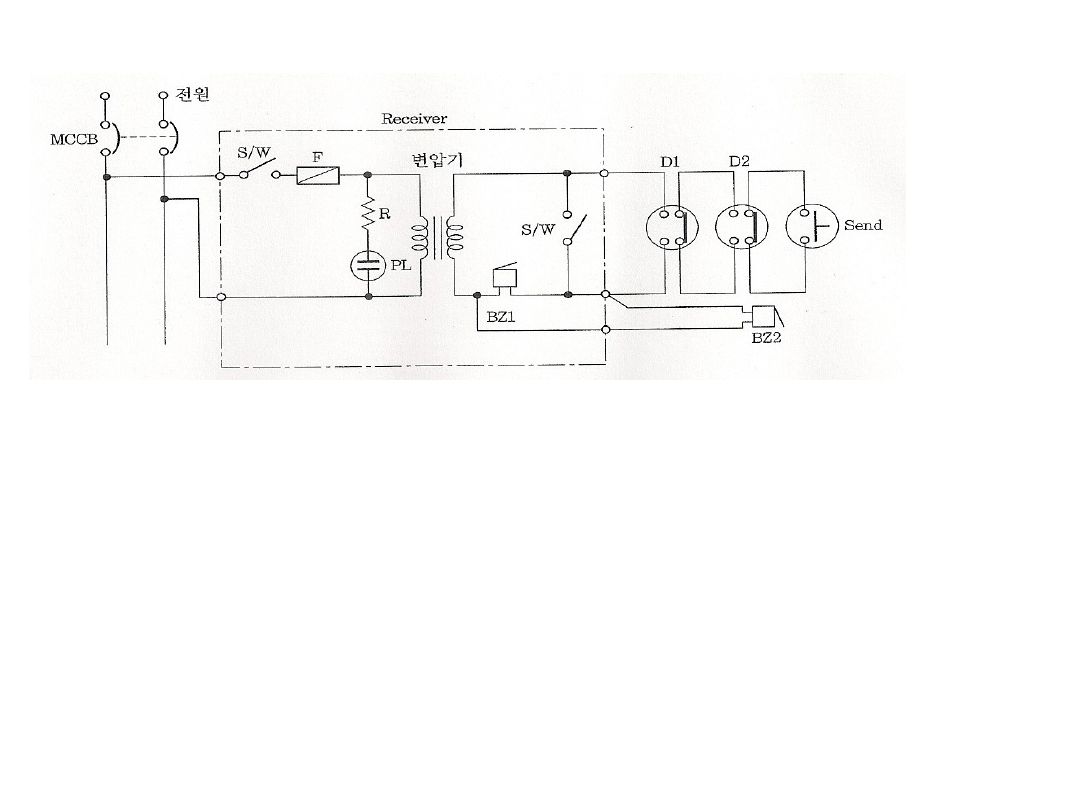
자동화재탐지 설비 제어 회로

자동화재탐지 설비 제어 회

·

수신용그위치 

수신용그위치 S/W를 

를 ON하면

하 , PL

이 점등 

이 점등 ·화재발생으로 온도가 

화재발생으로 온도가

상승 또는 연기농도가 짙어지면 감지기

상승 또는 연기농도가 짙어지면 감지 (D1 

(D 및 

및 D2)가 작동하여 

가 작동하여

주음향장치 

주음향장치 BZ1과 화재경계구역의 음향장치 

과 화재경계구역의 음향장치 BZ2

BZ 가 동시에 

가 동시에

작동한다

작동한 . 

· 

발신기

발신 (Send)

(Send 내의 누름스위치를 눌러 직접 화재경보를 알릴 수 

내의 누름스위치를 눌러 직접 화재경보를 알릴 수

있다

있 . .이 경우 

이 경우 BZ1과 

과 BZ2

BZ 가 동시에 울린다

가 동시에 울린 . 


background image

[6] 

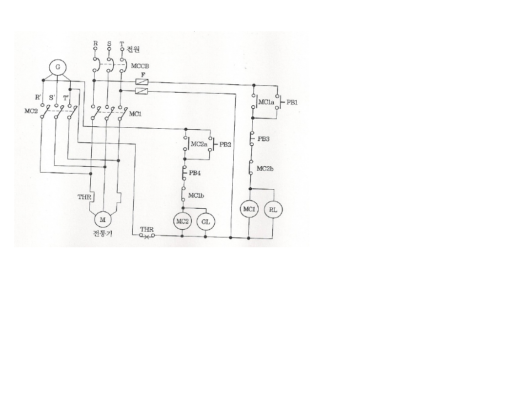
예비전원자동 전환제어회로

예비전원자동 전환제어회

·

정전시에

정전시 , PB2

를 누르면

를 누르 , MC2

가 여자되어 주접점 

가 여자되어 주접점 MC2가 닫혀 

가 닫혀

 발전기의 전원이 공급되어 모터가 회전한다

발전기의 전원이 공급되어 모터가 회전한 . .

·

이때

이 , MC2a

, MC2 가 여자되어 자기유지회로가 작동하고

가 여자되어 자기유지회로가 작동하 , MC2b

, MC 가 개로

가 개

 되어 상용전원회로가 작동하지 못하도록 한다

되어 상용전원회로가 작동하지 못하도록 한 .

·PB4

를 누르면

를 누르 , ,회로는 끊어져 예비전원 회로는 끊긴다

회로는 끊어져 예비전원 회로는 끊긴 . .

·

배선용차단기 

배선용차단기 MCCB

MC

를 

를 ON 하고 

하고

PB1

을 누른다

을 누른 . .

·MC1

이 여자되고 주접점 

이 여자되고 주접점 MC1이 

닫혀 전동기가 회전한다

닫혀 전동기가 회전한 . 

·

이때

이 , MC1a

, MC1 가 여자되어 

가 여자되어

자기유지회로가 작동하고

자기유지회로가 작동하 , MC1b

가 

개로

 되어 예비전원회로가 작동하지 

되어 예비전원회로가 작동하지

못하도록 한다

못하도록 한 .

·PB3

를 누르면

를 누르 , ,상용전원 

상용전원

공급회로는 끊어진다

공급회로는 끊어진 .


background image

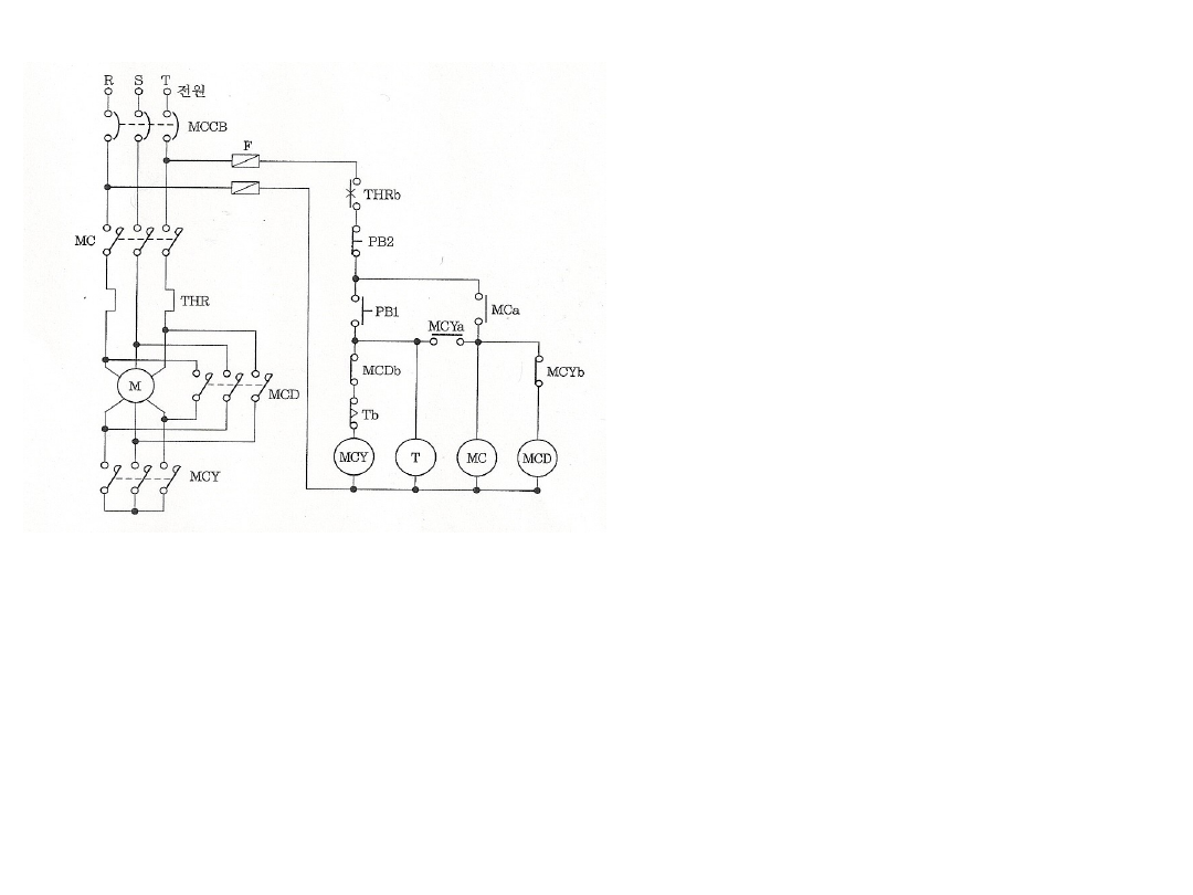
[7] 3

[7]  상 유도전동기의 

상 유도전동기의 Y-

 기동제어회로

기동제어회

·

배선용차단기 

배선용차단기 MCCB를 

를 ON 

ON 하고 

하고

PB1

P

을 누른다

을 누른 . 

·MCY

·MC 가 여자되고 주접점 

가 여자되고 주접점 MCY가 

닫혀지고 타이머가 작동한다

닫혀지고 타이머가 작동한 . .

·

이때

이 , 보조접점 

보조접점 MCYa

MC

가 여자되어 

가 여자되어

자기유지회로가 구성되며

자기유지회로가 구성되 , ,주접점 

주접점

MC

M 가 닫혀지고  

가 닫혀지고  MCYb

MC

는 

개로되어 

개로되어 MCD

MC 는 작동하지 않는다

는 작동하지 않는 . 

   

·

타이머에 설정된 시간이 되면

타이머에 설정된 시간이 되 , MCY

, MC 는 자력을 잃게되어 주접점 

는 자력을 잃게되어 주접점

MCY

MC 는 개로되고 

는 개로되고 MCD가 여자되어 주접점 

가 여자되어 주접점 MCD

MC 가 닫혀진다

가 닫혀진 . 

(Y-

(Y  로 전환

로 전 )


background image

A

A

전류계

Ammeter

A

가속, 증속

Accelerating

A

정상출력

-

ABB

공기차단기

Airblast Circuit Breaker

ACB

기중차단기

Air Circuit Breaker

AMP

증폭기

Amplifier

AN

어나운시에이터

Annunciator

AND

논리적

And

AS

전류계 전환스위치

Ammeter Change-over 
Switch

AUT

자동

Automatic

AUX

보조

Auxiliary

  B

B

전지

Battery

B

제동

Braking

B

역상출력

-

BC

충전기

Battery Charger

BC

이진카운터

Binary Counter

BCT

부싱변류기

Bushing Current 
Transformer

BL

Bell

BL

송풍기

Blower

BR

평형계전기

Balance Relay

BS

버튼계전기

Button Switch

BST

승압기

Booster

BW

후 방향(뒤로)

Backward

BZ

부져

Buzzer

☞전기약어표

전기약어


background image

  C

C

콘덴스

Condenser, Capacitor

C

제어

Control

CB

차단기

Circuit Breaker

CC

폐로코일

Closing Coil

CH

케이블 헤드

Cable Head

CL

닫다

Close

CLR

한류저항기

Current-limiting Resistor

CLR

한류계전기

Current-limiting Relay

CLX

한류리엑트

Current-limiting Reactor

CO

전환

Change-over

COS

전환스위치

Change-over Switch

CR

전류계전기

Current Relay

CRL

미속

Crawling

CS

제어스위치

Control Switch

CST

코우스팅

Coasting

CT

변류기

Current Transformer

CTR

제어기

Controller

  D

D

하강, 아래로

Down, Lower

DB

발전제동

Dynamic Braking

DBR

제동저항기

Dynamic Braking 
Resistor

DE

감속

Decelerating

DEC

감소

Decrease

DFR

차동계전기

Differential Relay

DL

더미 부하

Dummy Load

DR

방전 저항기

Discharging Resistor

DS

단로기

Disconnecting Switch

  E

EB

전기제동

Electric Breaking

EL

지략표시등

Earth Lamp

EM

비상

Emergency

EMS

비상스위치

Emergency Switch

ET

접지단자

Earth Terminal

EX

여자기

Exciter


background image

  F

F

퓨우즈

Fuse

F

주파수계

Frequency Meter

F

(정방향)

Forward

F

중간 입출력

-

FC

주파수 변환기

Frequency Changer,

 

 

Frequency Converter

FCB

계자 차단기

Field Circuit Breaker

FCR

플릭스 계전기

Flicker Relay

FF

플립 플롭

Flip Flop

FI

고장표시등

Fault Indicator

FL

유량계

Flow Meter

FLR

흐름 계전기

Flow Relay

FLT

필터

Filter

FLTS

플로우트 스위치

Float Switch

FR

주파수 계전기

Frequency Relay

FRH

계자 조정기

Field Regulator,

 

 

Field Rheostat

FS

계자스위치

Field Switch

FTS

발딛음 스위치

Foot Switch

FW

앞으로(정방향)

Forward

  G

G

발전기

Generator

GCB

가스차단기

Gas Circuit Breaker

GD

검루기

Ground Detector

GR

접지 저항기

Grounding Resistor

GR

지락 계전기

Ground Relay

GT

접지 변압기

Ground Transformer

  H

H

히터

Heater

H

높다

High

HC

유지코일

Holding Coil

CL

유지

Holding

HM

유지자석

Holding Magnet

HO

Horn

HRM

시간계

Hour Meter

HS

고속

High Speed

HSCB

고속도 차단기

High speed Circuit 
Breaker


background image

  I

ICH

인칭

Inching

IL

조명등

Illuminating Lamp

IL

인터록

Inter-Locking

IM

유도전동기

Induction Motor

INC

증가

Increase 

INS

순시

Instant

IR

유도전압조정기

Induction Voltage 
Regulator

  J

J

조깅

Jogging

JK

절연압력

-

  K

KR

유전 계전기

Keep Relay

KS

나이프 스위치

Knife Switch

 

 

 

  L

L

왼편

Left

L

낮다

Low

LDR

부하 저항기

Loading Resistor

LFR

계자손실 계전기

Loss of Field Relay,

LM

영 조정 입력

-

LO

록크 아웃

Lock-out

LS

리미트 스위치

Limit Switch

LTT

부하 시스템 전환 
변압기

On-load Tap-changing 
Transformer

LVR

부하시 전압조정기

On-Load Voltage 
Regulator

LVS

레벨 스위치

Level Switch


background image

  M

M

전동기

Motor

MA

수동

Manual

MB

전자브레이크

Electromagnetic Brake

MBB

자기 차단기

Magnetic Blow-out 
Circuit Breaker

MC

전자접촉기

Electromagnetic 
Contactor

MCB

배선용 차단기

Molded Case Circuit 
Breaker

MCL

전자 크러치

Electromagnetic Clutch

MCT

전자 카운터

Magnetic Counter

MCTR

주간 제어기

Master Controller

MDA

최대 수요 전류계

Maximum Demand 
Ammeter

MDW

최대 수요 전력계

Maximum Demand 
Wattmeter

MEB

기계 제동

Mechanical Braking

MEM

메모리

Memory

MG

전동발전기

Motor-generator

MLV

멀티바이브레이터

Multi-vibrator

MOV

전동 밸브

Motor-operated Valve

N

N

회전속도계

Tachometer

NAND

낸드

Nand

NGR

중성점 접지저항기

Neutral Grounding 
Resistor

NOR

노어

Nor

NOT

논리부정

Not, Negation

   O 

O

공통 모선 또는 
중심선

-

OCB

기름 차단기

Oil Circuit Breaker

OCR

과전류 계전기

Overcurrent Relay

OFF

개로, 열다

Open, Off

ON

폐로, 닫다

Close, On

OP

열다

Open

OPC

코일동작

Operating Coil

OPM

조작용 전동기

Operating Motor

OPR

결상 계전기

Open-Phase Relay

OR

논리합

Or

ORM

복귀 기억

Off Return Memory

OSR

과속도 계전기

Over-speed Relay

OSS

과속 스위치

Over-speed Switch

OTC

과전류 트립코일

Overcurrent Trip Coil

OVR

과전압 계전기

Overvoltage Relay


background image

  P

P

플라깅

Plugging

PCT

계기용 변압 변류기

Potential Current 
Transformer,

 

 

Combined Voltage and 
Current Transformer

PF

전력 퓨즈

Power Fuse

PF

역률계

Power-factor Meter

PG

압력계

Pressure Gauge

PHS

이상기

Phase Shifter

PI

위치 지시계

Position Indicator

PLR

극성 계전기

Polarity Relay

PN

직류(바이어스포함)

-

POR

위치 계전기

Position Relay

PR

역전 방지 계전기

Plugging Relay

 

(

플러깅 계전기)

 

PRR

압력 계전기

Pressure Relay

PRS

압력 스위치

Pressure Switch

PT

계기용 변압기

Potential Transformer,

 

 

Voltage Transformer

PWR

전력 계전기

Power Relay

  R

R

저항기

Resistor

R

계전기

Relay

R

기록

Recording

R

역방향

Reverse

R

오른편

Right

R

리세트 입력

-

RB

재생 제동

Regenerative Braking

RC

회전 변류기

Rotary Converter

RCR

재폐로 계전기

Reclosing Relay

RE

익스팬드 입력 
리세트

-

RF

정류기

Rectifier

RG

조정

Regulating

RH

가감 저항기

Rheostat

RM

영구 기억

Retentive Memory

RN

운전

Run

RS

회전 스위치

Rotary Switch

RST

복귀

Reset

RSTC

복귀 코일

Reset Coil


background image

  S

S

스위치, 개폐기

Switch

S

세트입력

-

SE

익스팬드 입력세트

-

SET

세트

Set

SEX

부여 자기

Sub-exciter

SFR

쉬프트 레지스터

Shift Register

SH

분류기

Shunt

SL

표시등

Signal Lamp, Pilot Lamp

SM

동기 전동기

Synchronous Motor

SMT

슈밑트리거

Schmidt Trigger

SOR

탈조 계전기

Out-of-step Relay,

 

동기 이탈 계전기

Step-out Relay

SPR

속도 계전기

Speed Relay

SPS

속도 스위치

Speed Switch

SR

단락 계전기

Short-circuit Relay

SSM

단안전 멀티

Single Shot Multi-
Vibrator

 

바이브레이터

 

ST

시동

Start

STP

정지

Stop

STR

시동 저항기

Starting Resistor

STR

시동 계전기

Starting Relay

STT

시동기

Starter

SV

전자 밸브

Solenoid Valve

SY

동기검정기

Synchroscope,

 

 

Synchronism Indicator

SY

동기

Synchronizing

SYR

동기투입 계전기

Synchronizing Relay


background image

  T

T

변압기

Transformer

TB

단자판

Terminal Block,

 

 

Terminal Board

TC

트립코일

Trip Coil

TDB

동작시 복귀시 지연

Time Delay(Both)

TDD

복귀 시간 지연

Time Delay De-
energizing

TDE

동작 시간 지연

Time Delay Energizing

TDR

시간지연계전기

Time Delay Relay

TFR

무 트립 계전기

Trip-free Relay

TG

회전 속도계 발전기

Tachometer Generator

TH

온도계

Thermometer

THC

열전대

Thermocouple

THR

열동 계전기

Thermal Relay

TLR

한시 계전기

Time-lag Relay

TR

온도 계전기

Temperature Relay

TS

탐블러 스위치

Tumbler Switch

TT

시험단자

Testing Terminal


background image

  U

U

상승, 위로

Raise, Up

UVC

부족전압 트립코일

Under-voltage Release 
Coil,

 

 

Under-voltage Trip Coil

UVR

부족 전압 계전기

Under-voltage Relay

UVW

교류

-

  V

V

전압계

Voltmeter

VAR

무효 전력계

Var Meter,

 

 

Reactive Power Meter

VCB

진공 차단기

Vacuum Circuit Breaker

VCR

진공 계전기

Vacuum Relay

VCS

진공 스위치

Vacuum Switch

VG

진공계

Vacuum Gauge

VR

전압 계전기

Voltage Relay

VS

전압계 전환스위치

Voltmeter Changer-over 
Switch

  W

W

전력계

Wattmeter

WH

전력양계

Watt-hour Meter

WLI

수위계

Water Level Indicator

  X

X

정상입력

-

XE

익스팬드 입력 정상

-

  Y

Y

인버스 입력

-

YDS

스타델타 시동기

Star-delta Starter

YE

익스팬드 입력 
인비스

-

  Z

Z

보조입력

-

ZCT

영상 변류기

Zero-phase-sequence 
Current Transformer