PDF문서chapter05 다양한 센서 응용.pdf

닫기

background image

Chap05. 다양한 센서 응용 

5.1 온습도 센서 

5.2 인체감지 센서 

5.3 미세먼지 센서 

5.4 초음파 센서 


background image

5.1 온습도 센서 

 온습도 센서(DHT11) 

 20~90%의 습도와 0~50℃의 온도를 측정할 수 있는 센서 

 습도는 ±5%, 온도는 ±2℃의 오차 범위 

 측정된 값은 디지털 데이터로 출력 

DHT11 

DHT11 모듈 


background image

5.1 온습도 센서 

 5.1.1 온습도 센서 값 시리얼 프린터로 출력 – (MCU) 

 회로도 및 연결도 


background image

5.1 온습도 센서 

 5.1.1 온습도 센서 시리얼 프린터로 출력 

 라이브러리 설치 


background image

5.1 온습도 센서 

 5.1.1 온습도 센서 시리얼 프린터로 출력 

 소스 코드 


background image

5.1 온습도 센서 

 5.1.2 온습도 센서 값 Blynk Gauge로 출력(MCU → 폰) 

 Widget 설정 


background image

5.1 온습도 센서 

 5.1.2 온습도 센서 값 Blynk Gauge로 출력(MCU → 폰) 

 Widget 설정 


background image

5.1 온습도 센서 

 5.1.2 온습도 센서 값 Blynk Gauge로 출력(MCU → 폰) 

 소스 코드 


background image

5.1 온습도 센서 

 실습문제1(MCU → 폰) 

 온습도 센서를 연결하고 하드웨어를 구성하시오. 

 Blynk LCD(1)와 Value Display(2)를 이용하여 온도와 습도를 

출력하시오. 

 LCD – 1st line(온도), 2nd line(습도) 

 

 Value Display(온도), Value Display(습도)  


background image

5.1 온습도 센서 

 실습문제2(MCU → 폰) 

 온습도 센서를 연결하고 하드웨어를 구성하시오. 

 Blynk Value Display(2), LED(2) 그리고  Button(2)를 이용하여 

온도와 습도 값에 따른 버튼을 제어하시오. 

 Value Display(온도), Value Display(습도)  

 LED(온도), LED(습도)-제품 대용(에어컨, 제습기) 

 Button(에어컨 – SWITCH – ON/OFF(에어컨)) 

 Button(제습기 – SWITCH – ON/OFF(제습기)) 

10 


background image

5.2 인체감지 센서 

 인체감지 센서(HC-SR501) 

 PIR(Passive Infrared Sensor)는 적외선 감지 센서 

 사람의 인체에서 36.5도의 열에서 방출되는 열파장 감지 

 자동으로 형광등을 켜주는 장치에 부착되어있는 센서모듈 

 아파트 현관/계단/복도에서 사람 인식 

11 


background image

5.2 인체감지 센서 

 인체감지 센서(HC-SR501) 원리 

 출처: https://pirtechnology.wordpress.com/2011/09/09/hello-world/ 

12 


background image

5.2 인체감지 센서 

 인체감지 센서(HC-SR501) 모듈 인터페이스 

13 


background image

5.2 인체감지 센서 

 인체감지 센서(HC-SR501) 모듈 인터페이스 

 VCC, GND : 입력 전압(5V) 및 GND 

 Output : 인체 감지(HIGH), 인체 미감지(LOW) 

 Jumper Set : 반복적으로 인체를 감지할 것인지 결정하는 점퍼 

 Sensitivity Adjust : 인체를 인식하는 감도 조정 

 Time Delay Adjust : 출력신호의 시간 조정(5~200 sec) 

14 


background image

5.2 인체감지 센서 

 5.2.1 인체감지 센서로 LED 제어 – (MCU) 

 회로도 및 연결도 

15 


background image

5.2 인체감지 센서 

 5.2.1 인체감지 센서로 LED 제어 – (MCU) 

 소스 코드 

16 


background image

5.2 인체감지 센서 

 5.2.2 인체감지 센서로 Blynk LED 제어 - (MCU → 폰) 

 Widget 설정 

17 


background image

5.2 인체감지 센서 

 5.2.2 인체감지 센서로 Blynk LED 제어 - (MCU → 폰) 

 Widget 설정 

18 


background image

5.2 인체감지 센서 

 5.2.2 인체감지 센서로 Blynk LED 제어 - (MCU → 폰) 

 소스 코드 

19 


background image

5.3 미세먼지 센서 

 미세먼지 센서(GP2Y1023AU0F) 

 PWM 펄스 값을 출력하여 공기에서 검출되는 먼지 검출 키트 

 담배 연기와 같은 매우 미세한 입자까지 검출 가능 

 측정 범위(0~250ug/m3) 

20 


background image

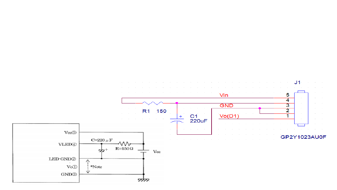
5.3 미세먼지 센서 

 5.3.1 미세번지 센서 값 시리얼 프린터로 출력 – (MCU) 

 구동 회로 및 회로도 

21 


background image

5.3 미세먼지 센서 

 5.3.1 미세번지 센서 값 시리얼 프린터로 출력 – (MCU) 

 연결도 

22 


background image

5.3 미세먼지 센서 

 5.3.1 미세번지 센서 값 시리얼 프린터로 출력 – (MCU) 

 소스 코드 

23 


background image

5.3 미세먼지 센서 

 5.3.2 미세먼지 센서 값 Blynk LevelV로 출력– (MCU→폰) 

 Widget 설정 

24 


background image

5.3 미세먼지 센서 

 5.3.2 미세먼지 센서 값 Blynk LevelV로 출력– (MCU→폰) 

 소스 코드 

25 


background image

5.3 미세먼지 센서 

 실습문제(MCU → 폰) 

 미세먼지 센서를 연결하고 하드웨어를 구성하시오. 

 Blynk Value Display(1)를 이용하여 미세먼지 센서 값 출력 

 LED(3)를 이용하여 미세먼지 센서 값에 의한 LED 변화 출력 

 30ug/m2 이하 – Green LED, 30ug/m2 ~ 200ug/m2 – Yellow LED  

 200ug/m2 이상 – Red LED 

26 


background image

다양한 센서 응용하기 

 실습문제(MCU→폰) 

 온습도 센서, 인체감지 센서, 미세먼지 센서 각 센서 값을 Blynk로 

모두 표시하시오. 

 Blynk Controller는 각자 선택하여 출력하시오.  

27 


background image

5.4 초음파 센서 

 초음파 거리센서(HC-SR04) 

 약 40Hz 주파수의 초음파 발사 물체에 반사되어 돌아오는 시간 측정 

 물체의 색깔에 상관없이 사용 가능 

 투명한 물체도 감지 가능, 물이나 먼지 등이 있더라도 감지 가능 

 외부에 초음파 발신부가 노출되어야 함 

28 


background image

5.4 초음파 센서 

 HC-SR04 타이밍 다이어그램 

29 


background image

5.4 초음파 센서 

 5.4.1 초음파 센서 값 시리얼 프린터로 출력 – (MCU) 

 회로도 및 연결도 

30 


background image

5.4 초음파 센서 

 5.4.1 초음파 센서 값 시리얼 프린터로 출력 – (MCU) 

 소스 코드 

31 


background image

5.4 초음파 센서 

 5.4.2 초음파 센서 값 Blynk LevelV로 출력 - (MCU→폰) 

 Widget 설정 

32 


background image

5.4 초음파 센서 

 5.4.2 초음파 센서 값 Blynk LevelV로 출력 - (MCU→폰) 

 소스 코드 

33 


background image

5.4 초음파 센서 

 실습문제(MCU→폰, MCU) 

 초음파 센서를 이용하여 DC모터를 제어하시오. 

 50Cm 미만 – 정지(Blynk LED – RED) 

 50Cm ~ 100Cm – CCW(Blynk LED – YELLOW) 

 101Cm 이상 – CW(Blynk LED – GREEN) 

 

 

34